-
montmorency ответил в теме:
В какой момент лучше устанавливать радиатор в комнате
интересно, этого не знал
насчет подделки вы меня конечно расстроили - теперь буду гадать
а кто эти четыре официальных дилера?
04.08.2010 в 01:42
-
montmorency ответил в теме:
В какой момент лучше устанавливать радиатор в комнате
В итоге купил Global Style, тот что по ссылке - действительно так дешево и полный биметалл =))
Теперь вот другой вопрос появился: прочитал такое на св...
03.08.2010 в 14:29
-
montmorency ответил в теме:
В какой момент лучше устанавливать радиатор в комнате
800 р. за секцию это дороговато
хотя вот нашел сайт где они стоят подозрительно дешево, 4160 р. за 8 секций
20.07.2010 в 01:34
-
montmorency ответил в теме:
В какой момент лучше устанавливать радиатор в комнате
Звонил сегодня в РЭУ - там назвали цифру 8000 р. за установку батарей по официальной заявке, включая байпасы, отсечные краны и прочую лабуду. Мне теп...
20.07.2010 в 00:44
-
montmorency ответил в теме:
В какой момент лучше устанавливать радиатор в комнате
вот что сказали на местном форуме:
Вобщем полный комплект будет выглядеть так:
установка батареи + установка отсечных кранов и байпаса + термостатич...
19.07.2010 в 13:35
-
montmorency ответил в теме:
В какой момент лучше устанавливать радиатор в комнате
спасибо за совет! )
мне примерно так и посоветовали в другом месте:
сразу появились еще вопросы, больше организационные:
замену, установку радиатора ...
18.07.2010 в 21:18
-
montmorency ответил в теме:
В какой момент лучше устанавливать радиатор в комнате
До или после поклейки обой?
Возможно вопрос глупый, но что о нигде на него ответа не нашел. Кто то говорит что это достаточно грязное дело, а мне инте...
18.07.2010 в 18:13
-
montmorency ответил в теме:
Помогите разобраться с блоком выключателей
на схеме две розетки, вторая в ванной, на ней висит стиралка
собсно она и беспокоит, так что вы тоже будьте повнимательней )
нуу да, там значок непра...
06.04.2010 в 23:17
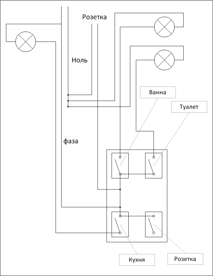
-
montmorency ответил в теме:
Помогите разобраться с блоком выключателей
В общем, если кому интересно, то по такой схеме там все соединено.
теперь вот думаю как это соединить правильно - т.к. розетка получается работает чер...
06.04.2010 в 16:43
-
montmorency ответил в теме:
Помогите разобраться с блоком выключателей
спсибо всем за советы )
буду значит у жэка план просить.
14.02.2010 в 18:47