Vas-S
Vas-S
Новичок

Регистрация: 28.02.2017

Москва

Сообщений: 1

28.02.2017 в 11:56:35

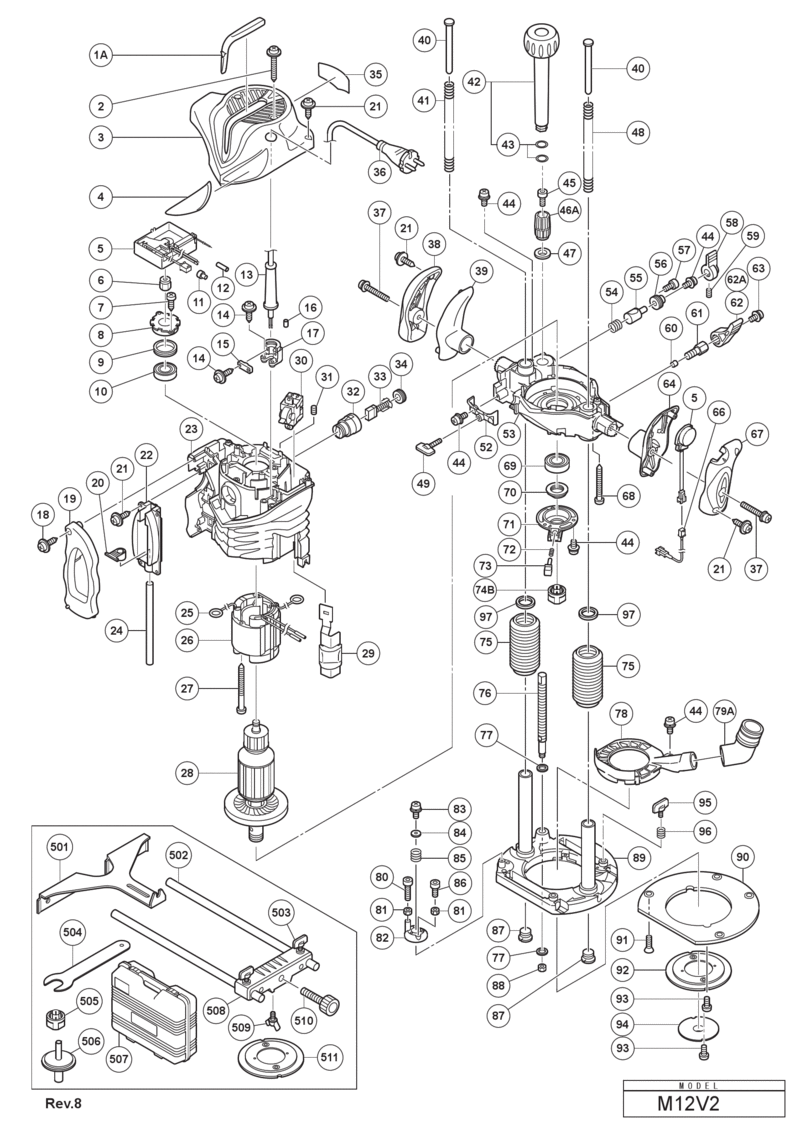
Подскажите пожалуйста, как снять подшипник на фрезере Hitachi M12V2 ?

0
skorpk
skorpk
Новичок

Регистрация: 08.11.2012

Волжский

Сообщений: 39

03.03.2018 в 21:53:29

Вы решили свою проблему?

0
Vadim63
Vadim63
Резидент

Регистрация: 26.04.2009

Тольятти

Сообщений: 13068

04.03.2018 в 05:06:18

Vas-S написал: Подскажите пожалуйста, как снять подшипник на фрезере Hitachi M12V2 ?

Vas-S,

0

Авторизуйтесь или зарегистрируйтесь, чтобы оставить комментарий.

Присоединяйтесь к самому крупному DIY сообществу