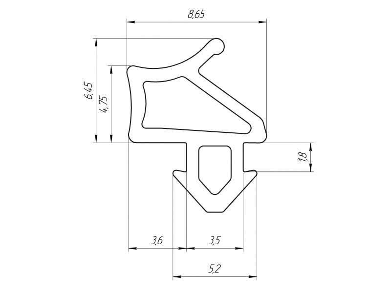
Камрады здравствуйте! В продолжение темы - https://mastergrad.com/forums/t304265-sletela-tyaga-privoda-furnitury-na-okne-v-zakrytom-sostoyanii/ - возникла необходимость замены контурного уплотнения. Так как профиль INTERNOVA 5000 в настоящее время отсутствует на российском рынке, то возник вопрос об аналоге. Кто из сведущих Камрадов может подсказать? На фото, пардон за качество, существующий уплотнитель створки и он очень похож на "Rehau камерный 529", но хотелось прочитать мнение специалистов. Мастер который помог исправить предыдущую ситуацию ушел на новогодние каникулы...





