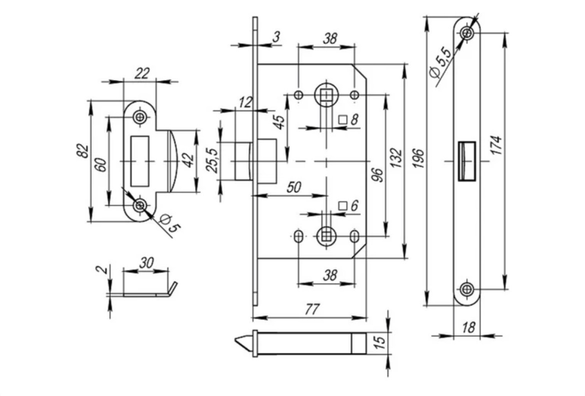
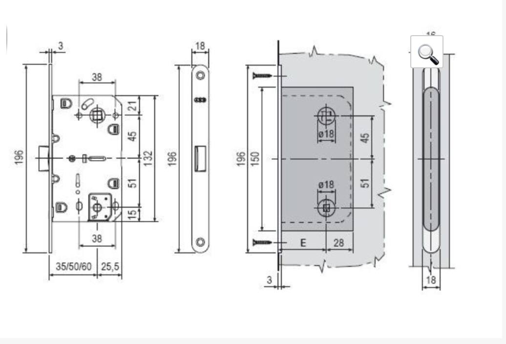
Редактор Просмотр Здравствуйте! В двери установлен замок Morelli 1895P SN.Можно ли его заменить на AGB Mediana Evolution? Схемы обоих прикрепляю в комментарии.Заранее благодарю откликнувшихся.Не предполагала, что в конце ремонта, когда сил и средств уже не осталось, ждет такое как оказалось нелегкое испытание, как выбор и установка межкомнатных дверей.

