Kamikaze
Kamikaze
Резидент

Регистрация: 05.01.2007

Запорожье

Сообщений: 11101

24.08.2009 в 23:07:47

sergey_sav написал : так у вас срабатывает по первой схеме ...

serezhiki написал : Стоит оказаться в цепи фазы (любой) потребителю

Вторая схема, однако. УЗО на одной фазе, на нагрузка - на другой (66,(6)%). Или на этой же, перед данным УЗО (например, под другим УЗО). Ну на крайняк - на этой же фазе под этим же УЗО но на другом АВ - вот только тогда это будет первая схема.

0

Переворот в мозгах из края в край,
В пространстве — масса трещин и смещений:
В Аду решили черти строить рай
Как общество грядущих поколений.

avmal
avmal
Резидент

Регистрация: 25.05.2006

Москва

Сообщений: 33773

24.08.2009 в 23:09:13

serezhiki написал : У меня пятипроводка в доме(частном), если все потребители отключены, никаких сработок. Стоит оказаться в цепи фазы (любой) потребителю, нейтраль одна на весь дом (почему-то ;-)) сработка гарантирована.

Так и должно быть, если учесть, что многоквартирный дом тот же большой особняк с трехфазным потреблением, а квартиры его однофазные потребители.

0
sergey_sav
sergey_sav
Резидент

Регистрация: 21.06.2007

Санкт-Петербург

Сообщений: 10547

24.08.2009 в 23:16:47

Kamikaze написал : Вторая схема, однако. УЗО на одной фазе

Первая, однако. Ибо, как я понял, у serezhiki вааще одно вводное трёхфазное УЗО... А мы рассматриваем токи в нулевом проводнике... а > нейтраль одна на весь дом (почему-то)

0

Бесспорных мнений не бывает. Бывают мнения с которыми бесполезно спорить.

Kamikaze
Kamikaze
Резидент

Регистрация: 05.01.2007

Запорожье

Сообщений: 11101

24.08.2009 в 23:21:35

sergey_sav написал : Ибо, как я понял, у serezhiki вааще одно вводное трёхфазное УЗО...

Такая экстравагантная схема мне не могла придти в голову. Точнее, могла, но я ее не впустил. Слово за serezhiki.

0

Переворот в мозгах из края в край,
В пространстве — масса трещин и смещений:
В Аду решили черти строить рай
Как общество грядущих поколений.

sergey_sav
sergey_sav
Резидент

Регистрация: 21.06.2007

Санкт-Петербург

Сообщений: 10547

24.08.2009 в 23:42:49

Kamikaze написал : Такая экстравагантная схема мне не могла придти в голову.

;) А проектировщикам приходит и живёт....

0

Бесспорных мнений не бывает. Бывают мнения с которыми бесполезно спорить.

Вложение
avmal
avmal
Резидент

Регистрация: 25.05.2006

Москва

Сообщений: 33773

25.08.2009 в 00:08:53

sergey_sav написал : А проектировщикам приходит и живёт....

Извращенцы ...

0
igor1
igor1
Резидент

Регистрация: 30.07.2007

Сообщений: 1448

25.08.2009 в 00:28:12

avmal написал : Извращенцы

С чего бы это? В моей конторе почти все цепи так защищены. Почти, потому что, мне эта схема, при всей ее «экономичности», не нравится. А т.к., когда я делаю что-то новое, проверить меня некому, то ставлю однофазные. Но, с точки зрения капзатрат, такая схема – наиболее экономична.
0
igor1
igor1
Резидент

Регистрация: 30.07.2007

Сообщений: 1448

25.08.2009 в 02:49:37

Kamikaze написал : А это ни при чем. Во-первых, в TN-C-S N и РЕ соединены на шине РЕ ВРУ (ГЗШ)

igor1 написал : А «0» между ними – только на ГЗШ (если сделано повторное заземление).

Замечание г-на Kamikaze мне не понятно: как видите, про ГЗШ я писал. Что же касается «…(если сделано повторное заземление)», то, по-видимому, фраза не удачна: я имел в виду, что, возможно, TN-S, а не TN-C-S (т.е. N и РЕ соеденены не в здании, а в ТП).

0
serezhiki
serezhiki
Резидент

Регистрация: 26.07.2007

Ижевск

Сообщений: 1389

25.08.2009 в 07:43:52

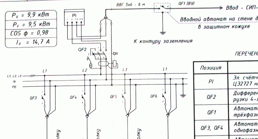
Чертов ДСЛ модем, так вчерась и не забурился заново! УЗО стоит трехфазное, дробления (установкой однофазных УЗО) по линиям не делал. Никаких сбоев и левых сработок не происходит. А вот наличие потребителя в любой из фаз, при отключенном автомате обсуживаемой линии, при замыкании нейтрали и защитного проводника вызывает стабильную сработку УЗО. Имеют место быть, как первая, так и вторая схема. ЗЫ Соврал, на ванную стоит однофазное, на 10мА. Сорри если кого запутал дурацким постом...:o

0
Гость
Гость
Аккаунт удален

Регистрация: 01.01.1970

Сообщений: 188626

26.08.2009 в 18:14:50

Kamikaze написал : Еще кусочек положительного - вторая схема, поясняющая срабатывание УЗО независимо от наличия фазы в квартире в целом - из-за токов нагрузок вне квартиры.

А первая и третья как ни странно попадают под запрет ПУЭ под один болт низззя, но так делается на практике, вот Вам и ПУЭ.

0
Kamikaze
Kamikaze
Резидент

Регистрация: 05.01.2007

Запорожье

Сообщений: 11101

26.08.2009 в 18:51:03

2filvik Уточняйте, что имеете в виду свои 1-ю и 3-ю схемы. И не спутывайте в одном сообщении две схемы qwerd-Kamikaze и свои три. Чтобы не было путаницы можно нумеровать их 3, 4, 5.

Кстати, на мой взгляд Ваши схемы очень плохо поясняют новичкам причину срабатывания УЗО при замыкании РЕ и N. Точнее, совсем не поясняют. Как минимум, нужно ввести на схемах хоть какую-то нагрузку и для наглядности нужно показать стрелочками протекание тока.

0

Переворот в мозгах из края в край,
В пространстве — масса трещин и смещений:
В Аду решили черти строить рай
Как общество грядущих поколений.

Авторизуйтесь или зарегистрируйтесь, чтобы оставить комментарий.

Присоединяйтесь к самому крупному DIY сообществу