Starnet122
Starnet122
Резидент

Регистрация: 23.11.2014

Краснознаменск

Сообщений: 1245

09.10.2025 в 15:41:45

Точное название стиралки с сушкой - Siemens wk14d541oe. Серия iQ500.

Недавно произошло ЧП: во время стирки вылетел «пенёк», крепящий амортизатор, амортизатор отлетая дернул за провод, идущий к щёткам, тот, отлетая контактом задел двигатель и устроил КЗ. Отключив УЗО и Автомат. В результате, видимо, что-то произошло с электронным модулем.

Барабан при стирке вращается влево, а при попытке начать вращаться вправо, слышно как щёлкает реле, но барабан вправо не вращается. Иногда машина на это плюёт и продолжает крутить влево. Но иногда вылетает в ошибку Е10 - это как раз невозможность вращать барабан. Причём вылететь в ошибку может как вначале стирки, так и в середине, так и вообще не вылететь.

Получается следующее: реле щёлкает, то есть управляющий сигнал приходит, двигатель отдельно проверен на стенде - вращается в обе стороны, а вот всё вместе не работает. Может быть есть мысли что ещё может быть ?

0
BV
BV
Резидент

Регистрация: 29.10.2005

Москва

Сообщений: 135492

09.10.2025 в 15:45:39

Starnet122, контакты реле и цепи к ним.

0
Starnet122
Starnet122
Резидент

Регистрация: 23.11.2014

Краснознаменск

Сообщений: 1245

09.10.2025 в 15:48:26

BV написал 09.10.2025 в 15:45

Starnet122, контакты реле и цепи к ним.

Контакты реле в порядке, проверено. А цепь имеется ввиду наверное силовая, так как первичная срабатывает - реле щёлкает ?

0
BV
BV
Резидент

Регистрация: 29.10.2005

Москва

Сообщений: 135492

09.10.2025 в 15:56:11

Starnet122, ну явно не та, которой злая собака пристегнута)

0
BV
BV
Резидент

Регистрация: 29.10.2005

Москва

Сообщений: 135492

09.10.2025 в 16:11:52

Starnet122 написал 09.10.2025 в 15:48

Контакты реле в порядке, проверено

Каким способом? Могли не до конца подгореть... Контрольку, лампу накаливания на 220 95 вт.

0
Starnet122
Starnet122
Резидент

Регистрация: 23.11.2014

Краснознаменск

Сообщений: 1245

09.10.2025 в 16:12:20

BV, а можно быть уверенным, что если реле щёлкнуло, и вторничная цепь замкнулась, то дальше ЭБУ не даёт никаких команд, и 230В должны пойти на двигатель ? То есть на данном этапе хочу исключить электронику и быть уверенным, что она свою задачу выполнила.

И кстати как там устроено (извините, не разбираюсь), помимо нулевого контакта на двигатель приходит два контакта: один для вращения в одну сторону и другой для вращения в другую ?

0
BV
BV
Резидент

Регистрация: 29.10.2005

Москва

Сообщений: 135492

09.10.2025 в 23:12:40

Starnet122, разобраться поможет рисование цепей прохождения тока на бумаге.

Starnet122 написал 09.10.2025 в 16:12

дальше ЭБУ не даёт никаких команд,

Куда команд? Реле на блоке ЭБУ стоит? Сколько реле на двигатель всего?

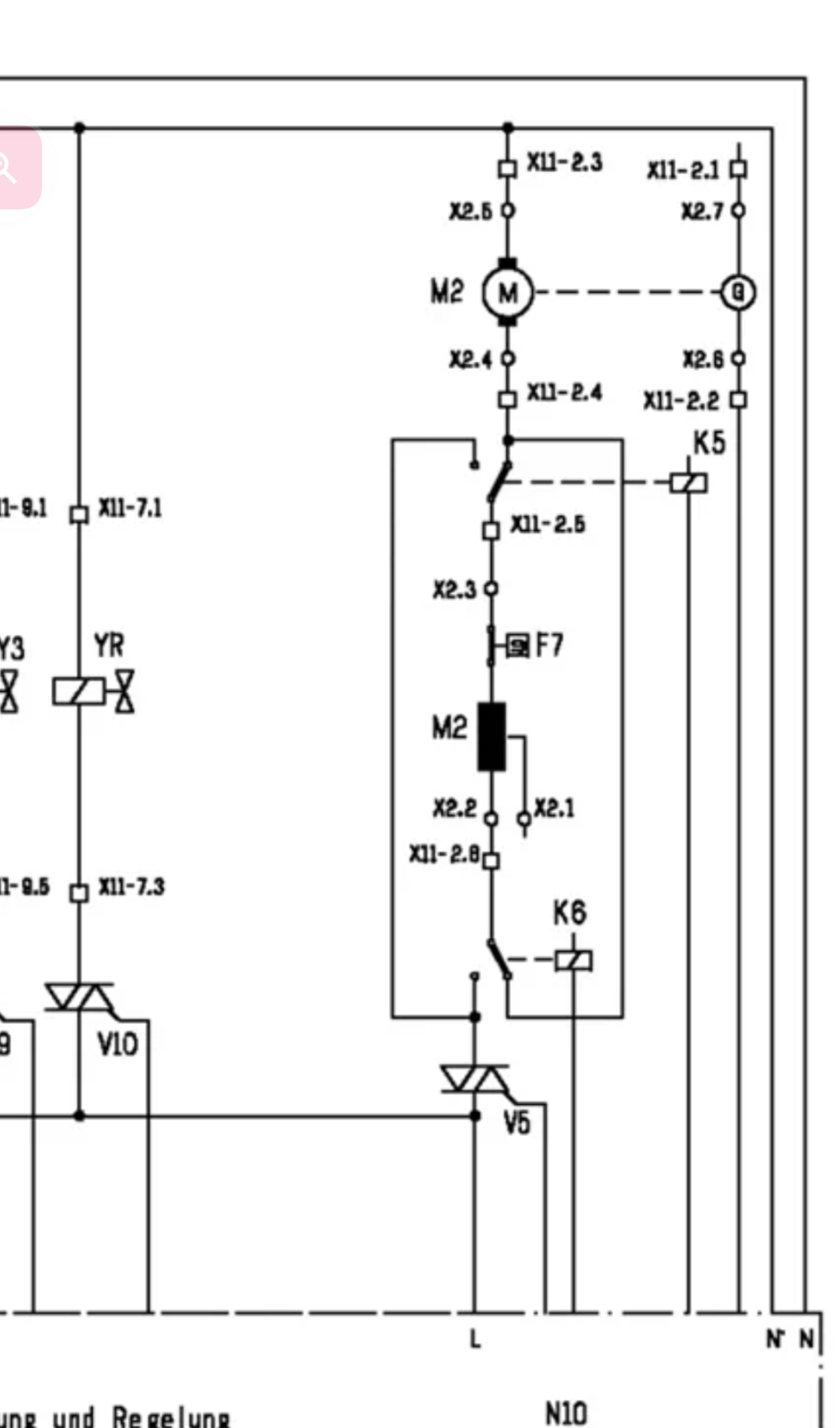
Screenshot_20251009-235054

Вы схему пробовали найти?

0
BV
BV
Резидент

Регистрация: 29.10.2005

Москва

Сообщений: 135492

09.10.2025 в 23:23:21

Starnet122 написал 09.10.2025 в 16:12

И кстати как там устроено (извините, не разбираюсь), помимо нулевого контакта на двигатель приходит два контакта: один для вращения в одну сторону и другой для вращения в другую ?

А как вы делали вот это не зная какие контакты:

Starnet122 написал 09.10.2025 в 15:41

двигатель отдельно проверен на стенде - вращается в обе стороны

0
Starnet122
Starnet122
Резидент

Регистрация: 23.11.2014

Краснознаменск

Сообщений: 1245

10.10.2025 в 09:50:56

BV написал 09.10.2025 в 23:12

Starnet122, разобраться поможет рисование цепей прохождения тока на бумаге. Куда команд? Реле на .....

Пробовал найти схему мотора. Не нашёл. Название двигателя: Nidec Sole WU126T55S00 16090028900

BV написал 09.10.2025 в 23:23

А как вы делали вот это не зная какие контакты: Starnet122 написал 09.10.2025 в 15:41 двигатель .....

Это не я делал. Мастер отвозил двигатель к себе куда-то на стенд. Сегодня попытаюсь узнать насчёт контактов.

0
BV
BV
Резидент

Регистрация: 29.10.2005

Москва

Сообщений: 135492

Starnet122
Starnet122
Резидент

Регистрация: 23.11.2014

Краснознаменск

Сообщений: 1245

10.10.2025 в 10:54:14

BV, ответил туда же.

0

Авторизуйтесь или зарегистрируйтесь, чтобы оставить комментарий.

Присоединяйтесь к самому крупному DIY сообществу