BV написал 25.12.2025 в 12:33
Серию дома можете назвать?
Если не ошибаюсь: Дом II-18/9
25.12.2025 в 13:06:54
BV написал 25.12.2025 в 12:33
Серию дома можете назвать?
Если не ошибаюсь: Дом II-18/9
25.12.2025 в 13:13:08
Новосел_2013 написал 25.12.2025 в 13:06
Если не ошибаюсь: Дом II-18/9
Тем где лифты по размеру как гробы, и площадки лифта между этажами?)
В доме капремонт когда планируется? Водопровод, отопление, канализация?
25.12.2025 в 13:16:04
BV написал 25.12.2025 в 12:33
Счищать болгаркой, с алмазной чашкой и пылесосом.
В комнатах - также.
В комнате вроде более-менее без болгарки отслаивается
25.12.2025 в 13:21:53
Новосел_2013 написал 25.12.2025 в 12:18
Сначала думаю найти мастеров на штукатурку стен в ванной комнате
Можете почитать СП Изоляционные и отделочные покрытия.
Ctrl+F штукатурка
Требования к ровности под плитку.... ламинат - что у вас там будет?
Также - см таблицы 7.4 и 7.5
Высококачественная штукатурка - кваритирв
К3 - пойдет под толстые обои К4 - тонкие обои и под краску.
Хотя, не знаю ваш бюджет - чем лучше требования к ровности - тем дороже будет стоить работа.
25.12.2025 в 13:24:39
MADONNA написал 24.12.2025 в 21:43
Паркет не трогай
Хочу в прихожую поставить стиральную машину. Паркет под СМ не очень хорошая идея? Думаю, в прихожей паркет демонтировать. Плюс в коридоре состояние паркета - похуже.

последнее фото взято отсюда:
25.12.2025 в 13:25:05
Новосел_2013 написал 25.12.2025 в 12:18
мастеров на штукатурку стен в ванной комнате
найдете клоунов , нормальные мастера на ванную только штукатурку не поедут в идеале плиточник пусть штукатурит под себя а то будет как в анекдоте - какой тридварас это делал )))
Новосел_2013 написал 25.12.2025 в 12:18
не получится отштукатурить под маяк стену, по которой проходит штатный полотенцесушитель
голову себе не забивайте , у мастера все получится
BV написал 25.12.2025 в 12:33
Счищать болгаркой, с алмазной чашкой и пылесосом
в реалиях - перфер с широкой лопаткой для болгарки с чашкой нужен пылесос в бюджете 20+ тыс
25.12.2025 в 13:25:40
Новосел_2013 написал 25.12.2025 в 13:16
В комнате вроде более-менее без болгарки отслаивается
Важно чтобы на стенах не осталась побелка, или масляно клеевая шпатлевка (это по сути мел) и штукатурка от этого отскочит, как ни грунтуй - отскочит вместе с грунтовкой.
Типа "мастера" очень любят бетон контакт везде) Это ошибка.
25.12.2025 в 13:29:11
25.12.2025 в 13:37:27
fhntv написал 25.12.2025 в 13:25
для болгарки с чашкой нужен пылесос в бюджете 20+ тыс
Да. Можно в аренду, можно нанять на авито с инструментом на день два.
С пылесосом "так себе" отдых на вытряхивание мешка будет весьма частым)
Мешки - сумки нетканые из магнита или мерлена - одеваются на "ведро" пылесоса и прижимаются головой пылесоса. Потом... голова снимается, ведро вместе с мешком переворачивается и мешок в мусор. Для экономных и не брезгливых - можно вытрясти.
25.12.2025 в 13:47:50
Новосел_2013, Начинать надо с демонтажа и зачистки до бетона. Кроме пола и потолка. Провода по потолку, в натяжном потолке, много не добавит, мм30, не больше. "Паркет" ' убирать, вместе со стяжкой. Но, там не стяжка, возможно, а толстый оргалит на битуме.
На фото, аналогичный случай. Раньше всех, как это часто бывает, электрик "влез без очереди". Заказчики , так же пребывали в мечтах о сохранении "бабушкиного" паркета", сорокапятилетней чугунной ванны, и коробки санузла. В итоге, после изучения вопроса. кабинку снесли, провода/розетки вытащили и вставили обратно, после возведения новых стен и разводки труб сантехники. Сразу, после сноса, сделали ремонт и замену части стояков, пока был максимальный доступ.
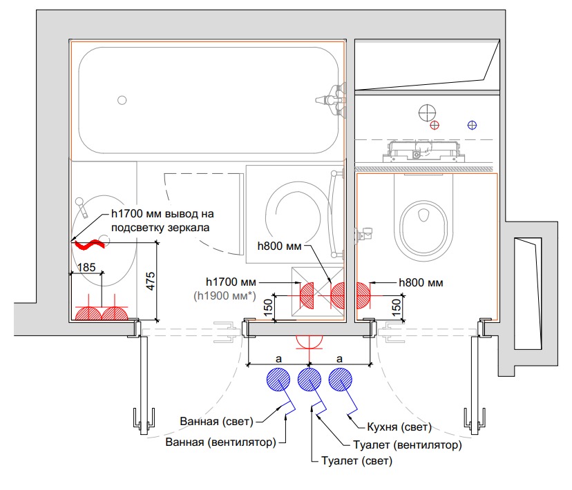
Проект, по ванной комнате и туалету, должен выглядеть примерно так. Все размеры настоящие.

25.12.2025 в 13:57:05
карочь прикол в том что вилка "ремонта" может быть от 10 млн до 500 тыс и в общем случае под обоями этого не видно просто "мастера" так распедаливают ваши проблемы что вы листаете со скоростью банкомата и только потом понимаете что вас обняли на лишнее )))
типа как в автосервис заехали масло поменять а вам - давайте диски карбон поставим , лучше же будет ? конечно да ! двигатель переберем , маховик облегченный, КПП кулачковая - лучше ! в итоге траты космос а вы никак не реализуете ВСЕ это дерьмо
Авторизуйтесь или зарегистрируйтесь, чтобы оставить комментарий.
Присоединяйтесь к самому крупному DIY сообществу