Гость
Гость
Аккаунт удален

Регистрация: 01.01.1970

Сообщений: 188626

08.09.2011 в 11:38:05

Здравствуйте! Стоит задача обеспечения вентиляции в подвале загородного дома в Питере Окна расположены высоко -2,2 метра от пола и они маленькие. Вентиляцию хотелось бы обеспечить во всех помещениях -приток свежего воздуха и отток отработанного. Одновременно находится -не более 5 человек.

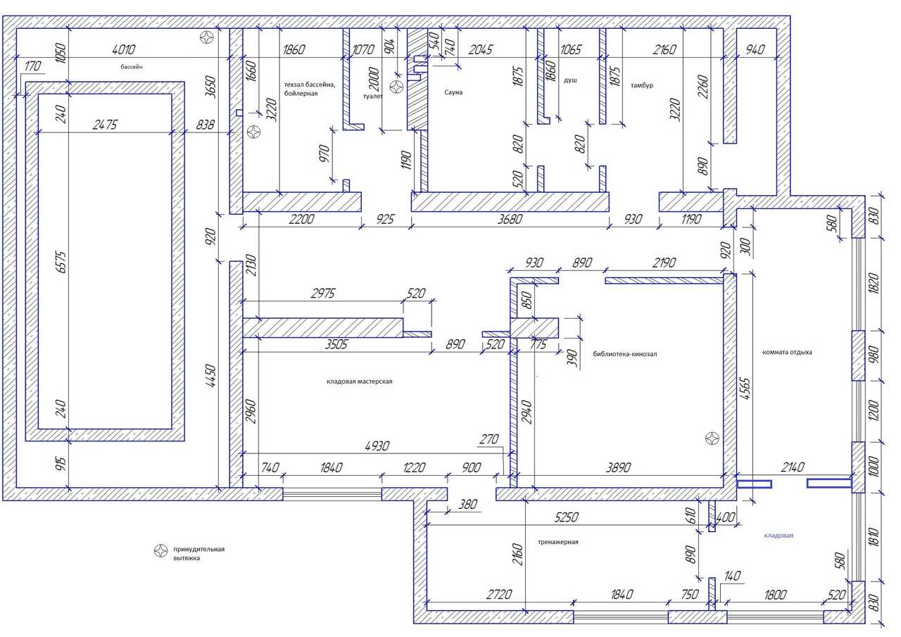
В подвале - Потолки -3 метра , подвесной потолок можно опускать до 30 см. Объем помещения бассейна - 100 м3 + тех помещ= 30м3+ сауна=45м3+ предбанник=45м3+ туалет =6м3+библиотека=60м3+ душевая=6м3+коридор=60м3 итого - 352 м3 + 200 м3 -кладовые и тренажерка Вопрос выбора установки - достаточно ли канальных вентиляторов с колорифером ( котел в доме -газовый на 50 КВт , площадь общая дома -400 м2 ). Компании к которым обратился - рекомендуют системы с рекуператором .. а там ценник - :eek: Какой установки должно хватить ? и какая будет экономичней с точки зрения финансов? и надежной естественно... Осушитель отдельный уже есть DanVex DEH-290h, да еще думаем накрывать пленкой зеркало бассейна ,чтобы не испарял сильно ... Хлор в системах очистки применяться не будет (это к тому -можно ли использовать оцинкованные воздуховоды в бассейне) . Кто-то советует китайское оборудование ,кто-то немецкое . Основной вопрос -какого оборудования будет достаточно для подвала (производитель и производительность )? Реально ли уложиться в 150-200 тыс с оборудованием и монтажом ?

0
Вложение
Ким
Ким
Резидент

Регистрация: 03.11.2007

Москва

Сообщений: 12849

08.09.2011 в 14:19:38

Для бассейна - рекуператор не применим, кроме как с промежуточным теплоносителем. Это раз. Два, осушитель хоть есть, хоть его нет - примерно одно и тоже. А три, для бассейна стоило бы и проект заказать, потому что здесь свои тонкости и заморочки. Четыре, написали много и толком никакой информации Пять, в 150-200 тысяч не вложитесь. Если "пальцем в небо" от 300-т и выше. Шесть, никакого китайского оборудования - только Расея (все равно наполовину будет Европой) или европейское. Семь, котла скорее всего не хватит. Если грубо исходить из площади дома то по-минимуму: отопление - до 40 кВт; горячее водоснабжение - от 10 до 20 кВт; подогрев воды бассейна - порядка 20-28 кВт; вентиляция только для бассейна (очень грубо) - от 25 до 35 кВт (это надо считать). Ну а "ИТОГО", я думаю, посчитайте и посмотрите что получится.

Вот примерно где-то так ;) :) Все остальное читайте ниже ;) :)

П.С. Восьмое. Только сейчас рассмотрел мелкий шрифт, "назначения помещений". По-хорошему, Вам надо решать комплексом вентиляцию всего дома. Что такое бассейн в подвале дома - представление имеется. И если вентиляция будет сделана плохо - не завидую хозяину этого дома. Видел как вздувается паркет из мореного дуба на всем этаже над бассейном и плиты перекрытия покрываются грибком. Это не для запугивания. Вам нужен нормальный проект и только потом что-то делать. Полумерами как Вы хотите не обойдетесь. Как говорится, я прокукарекал, а решать Вам....

0

ЭТО МОЕ МНЕНИЕ И Я ЕГО НЕ НАВЯЗЫВАЮ

Гость
Гость
Аккаунт удален

Регистрация: 01.01.1970

Сообщений: 188626

08.09.2011 в 15:26:16

Спасибо за ответ,Ким !!!

  1. На одну систему можно подключать бассейн и остальные помещения ?
  2. Вы же дальше пишете -что грибок и вздутие полов от повышенной влажности помещения бассейна - т.е. задача стоит снизить влажность, так это пленкой и осушителем можно добиться?
  3. Согласен ... но проектировщики бассейна все равно увязывают систему вентиляции с подвальной ... получается ,что городить несколько систем -дорого, а вот как обойтись одной ?
  4. Готов ответить на дополнительные вопросы -я ведь не профессионал в вентиляции...
  5. понял..
  6. По котлу есть проблемы связанные с поставщиком газа - они больше 4 м3 газа в час не согласовывают - типа такой максимум по проекту для домов , может это конечно и можно изменить -вопрос как ? новый проект ? какая вероятность что согласуют , 4м3 -это как раз 50кВТ , поставлю больший котел -не подключат ведь.. Дом делали максимально теплым -поризованный камень, стеклопакеты энергосберегающие и т.п

Ким написал : Для бассейна - рекуператор не применим, кроме как с промежуточным теплоносителем. Это раз. Два, осушитель хоть есть, хоть его нет - примерно одно и тоже. А три, для бассейна стоило бы и проект заказать, потому что здесь свои тонкости и заморочки. Четыре, написали много и толком никакой информации Пять, в 150-200 тысяч не вложитесь. Если "пальцем в небо" от 300-т и выше. Шесть, никакого китайского оборудования - только Расея (все равно наполовину будет Европой) или европейское. Семь, котла скорее всего не хватит. Если грубо исходить из площади дома то по-минимуму: отопление - до 40 кВт; горячее водоснабжение - от 10 до 20 кВт; подогрев воды бассейна - порядка 20-28 кВт; вентиляция только для бассейна (очень грубо) - от 25 до 35 кВт (это надо считать). Ну а "ИТОГО", я думаю, посчитайте и посмотрите что получится. 8 Я согласен с Вами ,но есть ограничения как в бюджете ,так и в энергии -как видите .

Вот примерно где-то так ;) :) Все остальное читайте ниже ;) :)

П.С. Восьмое. Только сейчас рассмотрел мелкий шрифт, "назначения помещений". По-хорошему, Вам надо решать комплексом вентиляцию всего дома. Что такое бассейн в подвале дома - представление имеется. И если вентиляция будет сделана плохо - не завидую хозяину этого дома. Видел как вздувается паркет из мореного дуба на всем этаже над бассейном и плиты перекрытия покрываются грибком. Это не для запугивания. Вам нужен нормальный проект и только потом что-то делать. Полумерами как Вы хотите не обойдетесь. Как говорится, я прокукарекал, а решать Вам....

0
Ким
Ким
Резидент

Регистрация: 03.11.2007

Москва

Сообщений: 12849

08.09.2011 в 15:45:34

serg1250 написал :

  1. На одну систему можно подключать бассейн и остальные помещения ?

По-хорошему, нет. Из-за экономии - делают, но это очень не правильно.

serg1250 написал :

  1. Вы же дальше пишете -что грибок и вздутие полов от повышенной влажности помещения бассейна - т.е. задача стоит снизить влажность, так это пленкой и осушителем можно добиться?

НЕТ. Нужна вентиляция.

serg1250 написал :

  1. Согласен ... но проектировщики бассейна все равно увязывают систему вентиляции с подвальной ... получается ,что городить несколько систем -дорого, а вот как обойтись одной ?

Повторяюсь. Одной установкой, по-хорошему, не обойтись. И то что проектировщики увязывают все в общую систему - это все правильно они делают. И только так будет правильно. Все остальное - на Ваше усмотрение и на Ваши последующие риски во время эксплуатации бассейна/дома.

serg1250 написал :

  1. По котлу есть проблемы связанные с поставщиком газа - о

Не знаю как у Вас а у нас проходит отмазка - " Я делаю принудительную вентиляцию в доме и мне на нужды приточной установки требуется .... кВт тепла..." По крайней мере я знаю двоих из разных районов Московской области которым выделили дополнительные кубики газа.

0

ЭТО МОЕ МНЕНИЕ И Я ЕГО НЕ НАВЯЗЫВАЮ

Гость
Гость
Аккаунт удален

Регистрация: 01.01.1970

Сообщений: 188626

08.09.2011 в 17:34:15

А можете дать какие-то рекомендации по оборудованию, на что стоит смотреть ? чтобы приближенно к бюджету получилось .. В Питере только за монтаж 80-100 тыс запрашивают

Ким написал : По-хорошему, нет. Из-за экономии - делают, но это очень не правильно.

НЕТ. Нужна вентиляция.

Повторяюсь. Одной установкой, по-хорошему, не обойтись. И то что проектировщики увязывают все в общую систему - это все правильно они делают. И только так будет правильно. Все остальное - на Ваше усмотрение и на Ваши последующие риски во время эксплуатации бассейна/дома.

Не знаю как у Вас а у нас проходит отмазка - " Я делаю принудительную вентиляцию в доме и мне на нужды приточной установки требуется .... кВт тепла..." По крайней мере я знаю двоих из разных районов Московской области которым выделили дополнительные кубики газа.

0
Ким
Ким
Резидент

Регистрация: 03.11.2007

Москва

Сообщений: 12849

08.09.2011 в 18:20:19

serg1250 написал : ..... рекомендации по оборудованию, на что стоит смотреть ?.....

Вот с чем бы не заморачивался пока так это с оборудованием, его как грязи, выбирай-не хочу. Вы сначала поймите что у Вас должно получится. А вот оборудование - уже вторично. Ну а так - наше (но это отдельные бренды, есть что работает нормально), немцы, шведы, норвеги, прибалтика (литва). У всех есть то что вполне применимо.

0

ЭТО МОЕ МНЕНИЕ И Я ЕГО НЕ НАВЯЗЫВАЮ

Авторизуйтесь или зарегистрируйтесь, чтобы оставить комментарий.

Присоединяйтесь к самому крупному DIY сообществу