maximov.kvok
maximov.kvok
Новичок

Регистрация: 14.01.2013

Тверь

Сообщений: 5

14.01.2013 в 13:45:12

Добрый день. Имеется электрический нагреватель, со встроенной защитой от перегрева (выведены ее клеммы), для работы защиты, необходимо ее правильно подключить, чтобы размыкалась цепь подачи питания на нагреватель. Можно ли это сделать на базе контактора (как?), либо необходимо что то другое ?

7,8,9 - подача питания 3ф/380В 1-6 - встроенная защита

0
Вложение
ksiman
ksiman
Резидент

Регистрация: 03.08.2012

Нижний Новгород

Сообщений: 9611

14.01.2013 в 13:52:29

Именно контактор и нужен:) Включить по типовой схеме

0
maximov.kvok
maximov.kvok
Новичок

Регистрация: 14.01.2013

Тверь

Сообщений: 5

14.01.2013 в 13:57:53

Опыта с контакторами не имею ((( В смысле теоретически понимаю, но как в магазине объяснить что мне надо ? Как цепь управления контактора подключается, там только фаза или фаза ноль в контактор ?

Схема что то наподобие будет ?

0
Вложение
ksiman
ksiman
Резидент

Регистрация: 03.08.2012

Нижний Новгород

Сообщений: 9611

14.01.2013 в 14:04:16

Сейчас набросаю...

Вот :)

Контактор на 25A с катушкой ~220В

0
Вложение
maximov.kvok
maximov.kvok
Новичок

Регистрация: 14.01.2013

Тверь

Сообщений: 5

14.01.2013 в 14:05:44

Спасибо

У нас нагреватель смонтирован без нейтрали N, и уже не протянуть

Можно ли из ближайшей распаечной коробки взять 220В для цепи управления контактора ?

Вот так будет работать ?

0
Вложение
ksiman
ksiman
Резидент

Регистрация: 03.08.2012

Нижний Новгород

Сообщений: 9611

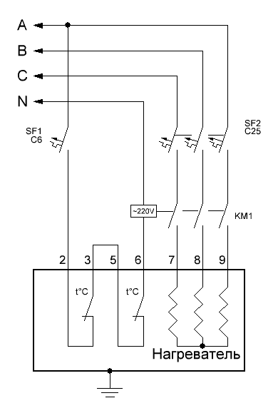
14.01.2013 в 14:18:17

maximov.kvok написал : Можно ли из ближайшей распаечной коробки взять 220В для цепи управления контактора ?

Тогда можно так, если контакты термовыключателей рассчитаны на коммутацию 380В

Контактор на 25A с катушкой ~380В

0
Вложение
maximov.kvok
maximov.kvok
Новичок

Регистрация: 14.01.2013

Тверь

Сообщений: 5

14.01.2013 в 14:23:11

ksiman При нормально, рабочем положении (когда контакты защиты замкнуты) КЗ между фазой А и В не будет ?

0
ksiman
ksiman
Резидент

Регистрация: 03.08.2012

Нижний Новгород

Сообщений: 9611

14.01.2013 в 14:27:32

Не будет :)

0
maximov.kvok
maximov.kvok
Новичок

Регистрация: 14.01.2013

Тверь

Сообщений: 5

14.01.2013 в 14:28:33

А как так ? В чем фишка :cool:

ksiman написал : Не будет :)

Если совсем на пальцах ))), то примерно так будет выглядеть ?

0
Вложение
Shturman1
Shturman1
Местный

Регистрация: 21.09.2012

Луцк

Сообщений: 605

14.01.2013 в 16:21:59

Немного не так. Сейчас поправлю

0
Вложение
ksiman
ksiman
Резидент

Регистрация: 03.08.2012

Нижний Новгород

Сообщений: 9611

14.01.2013 в 16:39:30

SF1 - это автоматический выключатель на питание контактора :)

0

Авторизуйтесь или зарегистрируйтесь, чтобы оставить комментарий.

Присоединяйтесь к самому крупному DIY сообществу