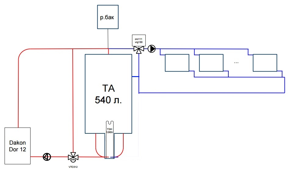
vks75 написал: Такая схема родилась из желания быстрее запустить отопление - делал сначала ветки на жилых этажах (сначала второй этаж, по времянке работал первый и третий, потом первый, потом третий). При увеличении давления в системе и при температуре на котле 60 и более через некоторое время все прогревается и все хорошо, кроме жары в доме и расхода газа :)
У Вас, действительно, не хватает мощности котлового насоса, однако менять его лучше не надо (не так это и просто...) Давление в системе тоже поднимать бессмысленно...Когда Вы поднимаете т-ру в котле, ТП берет меньше теплоносителя (по объему) и система работает нормально - батареям теплоносителя хватает. В этом направлении Вам и придется идти - увеличить т-ру котла, а радиаторы прижать кранами, а если есть возможность - установить термоголовки. В будущем, имеет смысл усовершенствовать СО, смонтировав котловой контур, а радиаторы и ТП - подключить, через смесительные контуры со своими насосами









