Дело в точ что приемная часть 110 которая у меня выходит из стояка она прямо вот вплотную к стене.
Смотрим на чертеж.

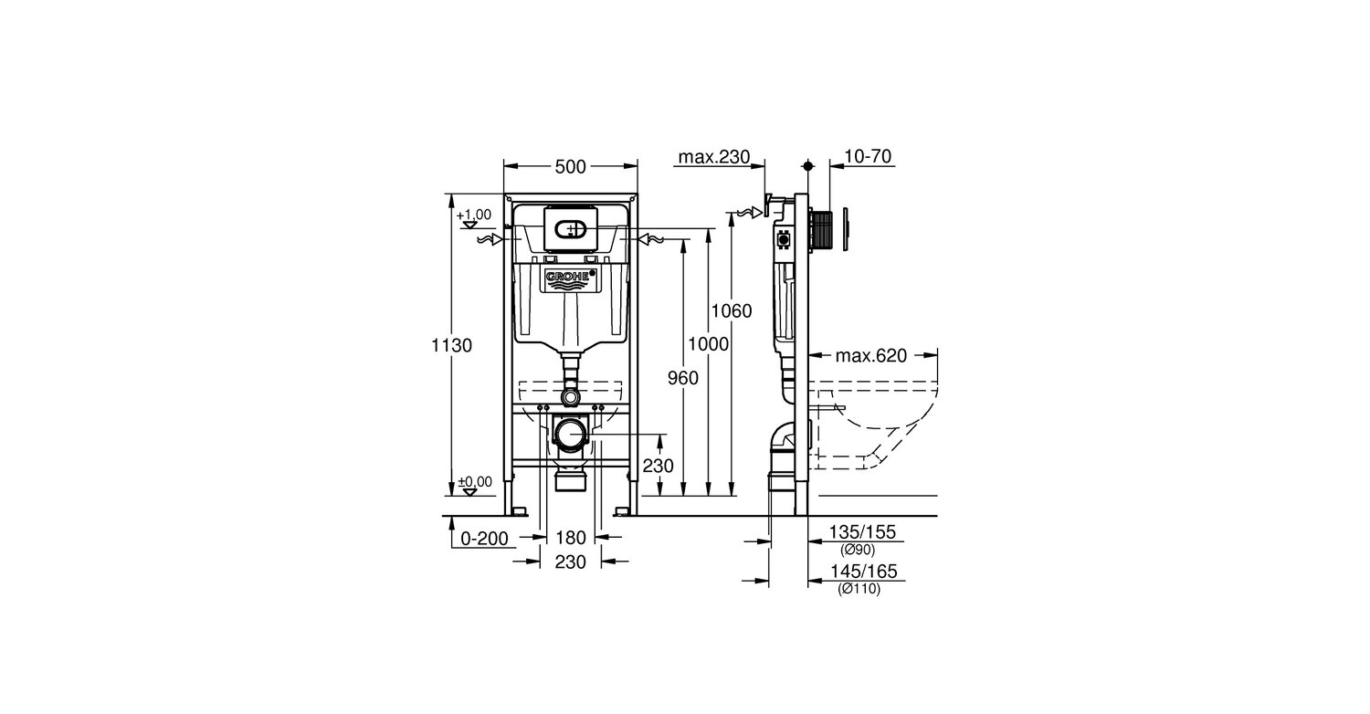
Правильно ли я понимаю, что глубина конструкции определяется выпускной трубой и если она прошла, то вверху ничего не упрется?
06.10.2020 в 10:03:14
Дело в точ что приемная часть 110 которая у меня выходит из стояка она прямо вот вплотную к стене.
Смотрим на чертеж.

Правильно ли я понимаю, что глубина конструкции определяется выпускной трубой и если она прошла, то вверху ничего не упрется?
06.10.2020 в 10:45:51
Правильно при условии нормальной стандартной инсталляции. У неё бачок выступает сантиметров на 8 и подводка воды возможна сверху и с боков. Если связаться с какой-нибудь фигней «эксклюзивной», там всякое возможно-и подводка сзади и бачок «рюкзаком» и качество соответствующее. Короче, инсталляция должна быть от проверенных производителей, тогда не будет проблем.
06.10.2020 в 11:01:05
s.popov.mail написал: Дело в точ что приемная часть 110 которая у меня выходит из стояка она прямо вот вплотную к стене.
А где фото вашего стояка? Пластиковый тройник стояка можно вовсе повернуть к стене. Главное не подключаться по прямой прямо в стояк (не опуская после унитаза трубу ниже), т.к. в этом случае бегущая по стояку вода может забегать в чашу унитаза.
06.10.2020 в 11:36:49
ser000 написал: Пластиковый тройник стояка можно вовсе повернуть к стене
повернуть там уже ничего нельзя, представьте себе трубу 110 вплотную прижатую к задней стенке. Сфотографировать не могу сейчас в разборе, штукатурим.
06.10.2020 в 22:23:36
s.popov.mail, - самая выступающая от стены часть снизу. Поясню - 125 мм диаметр 110мм трубы канальи по раструбу впритык к стене и раме + 40 мм толщина рамы. Сверху всё норм, даже будет зазор от стены между бачком для прохождения трасс гор.и хол.воды. Итого = 165 мм от стены до наружной части рамы инсталляции.

08.10.2020 в 23:13:30
у инсталляций разве типично не 90 мм труба на выходе? вообще ничто не мешает снять часть стены, где выступающие части у инсталляции. у меня получилась смонтировать что инстялляции съедают около 90 мм (из которых 40 мм - каркас самой инстялляции).
На фото выше всё просто роскошно (по количеству места за инсталляциями), а вот пластина на которой установлены розетки для раковины (?) сделана не правильно - нужно было обязательно два отгиба сделать по длинной стороне, так вообще никакой жескости, только лишний расход материала.
09.10.2020 в 18:22:05
Dron/9K написал: а вот пластина на которой установлены розетки для раковины (?) сделана не правильно
Серия: TECEprofil Артикул: 9020041

Баш майсторът
09.10.2020 в 22:56:13
jekasus, кто курсе, тот конечно же понял )) :applause: а кто не в курсе, тому и объяснять нет смысла.
10.10.2020 в 19:14:21
jekasus написал:
Dron/9K написал: а вот пластина на которой установлены розетки для раковины (?) сделана не правильно
Серия: TECEprofil Артикул: 9020041
jekasus,
виноват! мои извинения Technik-san.
На фото по виду деталь рукадельная, и кстати отгибы сделаны как я писал :)))
Я просто привык руками по месту такие вещи делать, поэтому по дикости своей и предполагаю такое :))))
Авторизуйтесь или зарегистрируйтесь, чтобы оставить комментарий.
Присоединяйтесь к самому крупному DIY сообществу