viktor48
viktor48
Резидент

Регистрация: 18.11.2009

Москва

Сообщений: 1376

23.09.2013 в 13:57:14

Доктор Марк написал : Дома снял ремень, продул карб и с 10-15попытки завел мк( ремень был сильно натянут). Подскажите= какой ремень номер

Ремень А-750. Инструкцию смотрите здесь.

0
Доктор Марк
Доктор Марк
Новичок

Регистрация: 17.03.2010

Кемерово

Сообщений: 63

23.09.2013 в 14:35:21

Что из себя предствляет съемник для снятия маховика?

0
Vidis
Vidis
Резидент

Регистрация: 19.06.2008

Лебедянь

Сообщений: 3102

23.09.2013 в 16:27:19

Примерно вот так выглядит

0
Вложение
tuger
tuger
Резидент

Регистрация: 22.01.2011

Мурманск

Сообщений: 3801

23.09.2013 в 20:01:42

Доктор Марк написал : Что из себя предствляет съемник для снятия маховика?

Без него и не пытайтесь, обычным съёмником может получится вот так ;)

0
Доктор Марк
Доктор Марк
Новичок

Регистрация: 17.03.2010

Кемерово

Сообщений: 63

24.09.2013 в 05:55:09

Съемник этот самодельный или продаетсЯ?

0
Pavel003
Pavel003
Резидент

Регистрация: 20.02.2011

Харьков

Сообщений: 6099

24.09.2013 в 08:26:13

Доктор Марк написал : Съемник этот самодельный или продаетсЯ?

Его сделать можно за полчаса. Шина (полоса)толщиной от 3 мм до 10. Справа и слева два отверстия по посадке на резьбовые отверстия маховика, по центру приварить гайку М10, если шина 10мм, то просверлить отв и нарезать резьбу М10. 100% работоспосбный съемник. Пользуюсь такими. Снимаю разные маховики вентиляторы. АБ 4, УД 15,25, УД1,2, и еще разные.....

0
Vidis
Vidis
Резидент

Регистрация: 19.06.2008

Лебедянь

Сообщений: 3102

24.09.2013 в 08:33:47

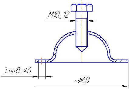
Доктор Марк, такого типа съемник был в комплекте к Кроту. Когда потерял (потом нашел) родной, то изготовил на коленке вот такой (размеры примерные, по памяти)

0
Вложение
Vidis
Vidis
Резидент

Регистрация: 19.06.2008

Лебедянь

Сообщений: 3102

24.09.2013 в 08:36:07

Pavel003 написал : Справа и слева два отверстия по посадке на резьбовые отверстия маховика,

Для Крота такой не пойдет, т.к. отверстий всего 3 и расположены по 120град

0
Pavel003
Pavel003
Резидент

Регистрация: 20.02.2011

Харьков

Сообщений: 6099

24.09.2013 в 08:53:25

Vidis написал : Для Крота такой не пойдет, т.к. отверстий всего 3 и расположены по 120град

Ну да, это проблема имеет непродолимые свойства. Приварить гайку можно а сварить 3 шины под углом 120 градусов. задача невыполнимая? А если взять квадрат и одно отв в центре (там гайка будет, ее, кстати, и варить не обязательно,если нет сварки или не умеет человек) и три на окружности под углом 120 градусов. Будет такой работать? Мне кажется, что будет.

0
Доктор Марк
Доктор Марк
Новичок

Регистрация: 17.03.2010

Кемерово

Сообщений: 63

24.09.2013 в 09:50:51

Благодарю всех-сделаю сам-потом отпишусь.

0
Vidis
Vidis
Резидент

Регистрация: 19.06.2008

Лебедянь

Сообщений: 3102

24.09.2013 в 09:53:58

Pavel003 написал : Будет такой работать?

Такой будет, но зачем такие сложности, сварка, разметка, сверловка? И кстати что сподвигло меня изготовить такой съемник (см. п.12503), то что не возможно было открутить корзину, винты напрочь закисли и шлицы посрывались.

0

Авторизуйтесь или зарегистрируйтесь, чтобы оставить комментарий.

Присоединяйтесь к самому крупному DIY сообществу