vladmed
vladmed
Новичок

Регистрация: 26.09.2008

Москва

Сообщений: 88

12.12.2008 в 15:55:33

Прошедшим летом ванная комната на даче была модернизирована. Выкинули старую чугунную ванну, поставили душевой поддон (не уголок, без стен), установили бойлер и стиральную машину. Весной планирую переделывать проводку для всего этого хозяйства, а пока надо понять, что для этого нужно и заранее закупить.

В вводном щите ванная и кухня висят на одном автомате (и свет и розетки). В ванную входит медный кабель, 2,5 кв. как минимум (может больше, измерить забыл…), в двойной изоляции. Протягивать в ванную отдельный провод возможности пока нет. Планирую повесить в ванную отдельный щиток и подключиться к этому проводу. Предполагаю установить небольшой влагозащищенный щиток типа Legrand Plexo IP55. От него должны пойти две линии на бойлер и стиралку (точнее на розетки для них), свет (100 вт), отдельная линия для освещения пространства под лестницей (мини-склад, 1 лампа, включается очень редко), и еще планируется установить электрический полотенцесушитель (Devi, 40-60 Вт), включающийся в розетку. Бойлер 1,5 кВт, машина ~ 0,8 (примерно).

Вопросы:

  1. Можно ли сделать всю разводку в щитке, т.е. обойтись без распаечной коробки?
  2. Можно ли ставить одно УЗО на две розетки, куда будут включаться стиралка и бойлер, или ставить каждому свое? УЗО планирую Legrand, 16А, 10-30 мс.
  3. Следует ли ставить УЗО на свет и полотенцесушитель?
  4. Розетки: планирую Valena IP 44 (774120), с прозрачными крышками. При этом, бойлер и полотенцесушитель будут включены всегда, машина периодически. В одном из магазинов мне сказали, что если вилка в розетку включена, смысл IP44 пропадает.
  5. Необходим ли вводной автомат в этом же щитке?
  6. Стены обшиты ПВХ панелями, планирую за ними проложить NYM в пластиковой гофре.
  7. Хотел бы еще определиться с размером щитка, но это после того, как определюсь с начинкой.

    Заранее спасибо…

0
avmal
avmal
Резидент

Регистрация: 25.05.2006

Москва

Сообщений: 33773

12.12.2008 в 16:32:38

vladmed написал : Планирую повесить в ванную отдельный щиток и подключиться к этому проводу.

Должен предупредить, что патент вам не светит - электрический стул изобретен и запатентован уже давно ... :(
В помещениях с повышенной опасностью, к коим относится и санузел, запрещена установка любого коммутирующего оборудования.

0
vladmed
vladmed
Новичок

Регистрация: 26.09.2008

Москва

Сообщений: 88

12.12.2008 в 16:59:37

avmal написал : В помещениях с повышенной опасностью, к коим относится и санузел, запрещена установка любого коммутирующего оборудования.

Я знаю, что так нельзя, но у меня не будет возможности перекладывать все кабели, тогда еще и щит сразу менять придется, это уже полный ремонт... Кроме того, как выяснилось, 25 лет в ванной висела распред. коробка на скрутках, она и сейчас еще висит. Поэтому, если я ее заменю на новый, изолированный щиток, и поставлю УЗО, неужели будет хуже, чем есть? Вот я и хочу выбрать наилучшее решение, среди плохих...

Да, еще деталь: земли нет, дом подключен воздушкой, 2 провода.

0
vladmed
vladmed
Новичок

Регистрация: 26.09.2008

Москва

Сообщений: 88

15.12.2008 в 11:49:52

Ну вот, никто не хочет помочь... Давайте я пообещаю, что найду кабель и поставлю щиток вне ванной, все равно, вопросы по его наполнению остаются...

0
dinamit007
dinamit007
Резидент

Регистрация: 19.02.2008

Черноголовка

Сообщений: 2631

15.12.2008 в 15:43:18

В случае обещания

vladmed написал : поставлю щиток вне ванной

нужно сделать так: вытащить кабель из ванной или проложить новый (лучше)

vladmed написал :

  1. Можно ли сделать всю разводку в щитке, т.е. обойтись без распаечной коробки?

можно и даже нужно

vladmed написал :

  1. Можно ли ставить одно УЗО на две розетки, куда будут включаться стиралка и бойлер, или ставить каждому свое? УЗО планирую Legrand, 16А, 10-30 мс.

Советую на розетки провести по индивидуальному кабелю от щиточка. Если УЗО 10 мА - то придется две штуки ставить - они только на 16А. А 30мА - вам нельзя, тк земли нет. Во втором случае УЗО одно. Каким автоматом защищён кабель?

vladmed написал :

  1. Следует ли ставить УЗО на свет и полотенцесушитель?

обязательно

vladmed написал :

  1. Необходим ли вводной автомат в этом же щитке?

Нет

vladmed написал : земли нет

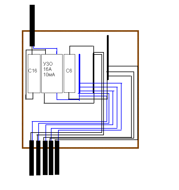
надо бы сделать. Какое сечение воздушки? Провод в ванную трёхжильный? Короче, выкладываю схему. Если провод защищён С16, то оба С16 в верхнем ряду можно не ставить

0
Вложение
vladmed
vladmed
Новичок

Регистрация: 26.09.2008

Москва

Сообщений: 88

15.12.2008 в 16:20:41

Большое спасибо!

dinamit007 написал : Каким автоматом защищён кабель?

Стоит С25, но на нем еще и кухня висит, нагрузки: 1 лампочка (100 Вт), УФ лампа для воды, электроподжиг плиты и холодильник.

dinamit007 написал : Какое сечение воздушки? Провод в ванную трёхжильный?

Сечение не знаю, насколько помню, диаметр около 6 мм. По крайней мере, на всем этом висело 2 проточника в течение 3-х лет, проблем с проводами не было. Провода по всему дому двужильные.

dinamit007 написал : Если провод защищён С16, то оба С16 в верхнем ряду можно не ставить

Если С25 в основном щите не годится, могу легко заменить на С16. По схеме: С3 это тоже автоматы, на 3 А? И не логичнее ли объединить свет в ванной и кладовке, а п/с повесить отдельно? Что-то щиток большой получается, я на 4-х местный рассчитывал... Еще вопрос, вот этих клемм http://220-380.ru/catalog/element.php?BID=31&ID=29049&SECTION_ID=212 для разводки внутри щитка достаточно?

0
dinamit007
dinamit007
Резидент

Регистрация: 19.02.2008

Черноголовка

Сообщений: 2631

15.12.2008 в 23:45:03

Щиток большой, тк земли у вас нет, поэтому и УЗО 10 мА. Если провод точно 3х2,5, а не 3х4 - то С25 - под замену

vladmed написал : С3 это тоже автоматы, на 3 А?

Да. В Электромонтаже должны быть... Вообще без земли - жесть. Щипать будет от корпуса ИСПРАВНОЙ стиралки (несильно).

vladmed написал : диаметр около 6 мм.

Ввод у вас похоже 16 квадратов - можно строить полноценную землю TN-C-S (Почитайте help по заземлению и безопастности - всё будет ясно). А без земли - УЗО на ВСЁ (сухие помещения - 30 мА, сырые - 10мА)

vladmed написал : И не логичнее ли объединить свет в ванной и кладовке, а п/с повесить отдельно?

нет. В случае КЗ вследствии перегорания лампочки в кладовке, вы в ванной не останетесь без света.

vladmed написал : Что-то щиток большой получается, я на 4-х местный рассчитывал...

можно сжать до шестиместного - поставить два диффавтомата С16 10мА и два С3 (свет запитать от одного из дифов). Достоинство вышеприведённой схемы - вы не окажетесь в душе в темноте в случае взрыва ТЭНа бойлера... Клемм достаточно. Для разводки нуля можно взять неизолированные....

0
vladmed
vladmed
Новичок

Регистрация: 26.09.2008

Москва

Сообщений: 88

16.12.2008 в 10:42:54

Спасибо, более-менее понятно становится... Еще пара вопросов:

  1. В первом посте вы упомянули, что вводной автомат не нужен, а на схеме предлагаете два. Какую функцию они должны выполнять? Я так понял, они просто для удобства, ведь общий кабель защищен С25 (будет С16)?
  2. Клеммы в щитке ставятся вертикально? Сколько места (в модулях) требуется для установки двух таких клемм, так, чтобы и провода удобно лежали?

Пока вроде все, хотя я уже начинаю сомневаться, не стоит ли сразу занятся полной переделкой электрики? Но, боюсь бюджет пока не позволит, поэтому я и хотел сделать временную защиту для наиболее опасного участка. Вот, пока колеблюсь...

0
dinamit007
dinamit007
Резидент

Регистрация: 19.02.2008

Черноголовка

Сообщений: 2631

16.12.2008 в 13:59:28

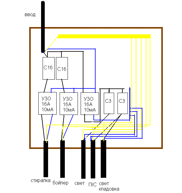
мой ГЛАВНЫЙ вопрос: провод точно 2х2,5? или всё же 2х4? Замена на С16 наврятли возможна, нагрузка большая - будет выбивать. Если провод точно 2х2,5, то замена максимум на С20. Вы уверены, что стиралка 0,8 Квт?Впрочем, даже если стиралка 1,5 Квт и бойлер 2Квт, может потянуть и на одном С16. Свет в ванной сколько будет по мощности (его надо либо в супервлагозащищённых светильниках, либо 12 вольт) (у меня 12 вольт 300 ватт галогенки)? Рисую ещё одну схемку. По схеме провода слева направо: стиралка, бойлер, свет, свет кладовка, электричесикий п/с. АВ+УЗО дешевле чем диффавтомат (намного, посмотрите каталог Электромонтажа...)

0
Вложение
vladmed
vladmed
Новичок

Регистрация: 26.09.2008

Москва

Сообщений: 88

16.12.2008 в 19:17:08

dinamit007 написал : мой ГЛАВНЫЙ вопрос: провод точно 2х2,5? или всё же 2х4?

Сейчас уже точно не скажу, хотя вспоминаю, что имеющийся кабель толще чем 2,5 кв., который я покупал для подключения бойлера. (Если это поможет: кабель из середины 1980-х, внешняя оболочка фиолетовая). Впрочем, это я уже на месте померяю и куплю соответствующий автомат.

dinamit007 написал : Вы уверены, что стиралка 0,8 Квт?

Только что проверил на сайте производителя, оказалось 2100 (мощность подключения). Но бойлер точно 1500.

dinamit007 написал : Свет в ванной сколько будет по мощности

Сейчас одна лампа 100 вт, что будет - неясно, ибо потолок собирался доделывать весной. Помещение маленькое, предполагаю 2-3 точечных, скорее всего на 220. Кстати, IP44 хватит?

0
mww08
mww08
Местный

Регистрация: 05.06.2008

Тюмень

Сообщений: 403

17.12.2008 в 17:58:42

Может быть стоит не использовать автоматы группы "С", а применить группы "А" или "В". Пусковых токов вроде бы не наблюдается.

0

Авторизуйтесь или зарегистрируйтесь, чтобы оставить комментарий.

Присоединяйтесь к самому крупному DIY сообществу