rodrigo
rodrigo
Местный

Регистрация: 06.03.2006

Москва

Сообщений: 168

15.03.2006 в 23:17:28

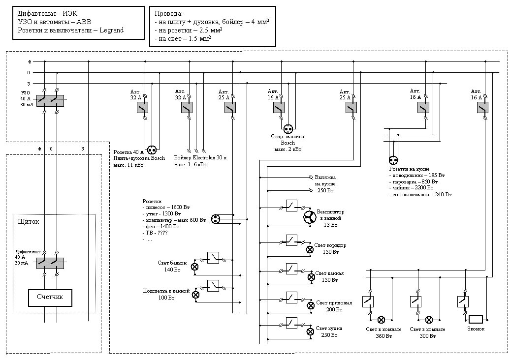
Люди, почти сделал ремонт в "двушке". Покритикуйте, пожалуйста, схему моей разводки. Ситуация такова: в общем коридоре на 4 квартиры есть щиток. На каждую квартиру приходилось:

  • дифавтомат ИЭК 40 А, 30 мА
  • автомат 25 А (на плиту)
  • автомат 10 А (свет)
  • автомат 16 А (розетки).

Я это все переделал. Теперь:

  • убрал из коридорного щитка все свои автоматы
  • от своего дифавтомата и заземления протянул в квартиру по 2 линии на фазу, ноль и землю (2 трехжильных провода 4мм2)
  • в квартире оба провода вывел в квартирный щиток на общее УЗО 40 А, 30 мА
  • от УЗО развел на 7 автоматов

Схему прилагаю. Заранее огромное спасибо!!!!

0
Вложение
rodrigo
rodrigo
Местный

Регистрация: 06.03.2006

Москва

Сообщений: 168

15.03.2006 в 23:20:04

Люди, сейчас проверил качество картинки. Если кликать по ней и открывать в Internet Explorer, качество изображения плохое. Лучше сохраняйте у себя на компе, затем открывайте чем угодно.

0
BV
BV
Резидент

Регистрация: 29.10.2005

Москва

Сообщений: 135481

15.03.2006 в 23:29:36

В щитке не нужен Дифф - хватит простого автомата

0
Гость
Гость
Аккаунт удален

Регистрация: 01.01.1970

Сообщений: 188626

15.03.2006 в 23:46:59

1) Узо должно быть на один номинал выше автомата, установленного перед ним (Рекомендация Ростехнадзора, есть еще ГОСТ, но искать не буду, знаю точно) 2) Каое устройство до счетчика? дом новый или старый, или после ремонта? Вопрос связан с дифавтомат ИЭК 40 А, 30 мА после счетчика. А так в принципе масло масленное (див и узо после него), хуже не будет, но удобства мало (узо общее не совсем удобно).

0
BV
BV
Резидент

Регистрация: 29.10.2005

Москва

Сообщений: 135481

15.03.2006 в 23:49:13

gin101 написал : Узо должно быть на один номинал выше автомата

.... или такое же.

0
Гость
Гость
Аккаунт удален

Регистрация: 01.01.1970

Сообщений: 188626

16.03.2006 в 08:37:01

BV написал : .... или такое же.

Да нет в ГОСТе слово "такое же" - есть определение на номинал выше.

0
ВТБ!
ВТБ!
Дилетант

Регистрация: 29.10.2005

Москва

Сообщений: 27556

16.03.2006 в 09:03:06

rodrigo написал : Если кликать по ней и открывать в Internet Explorer, качество изображения плохое

Разрешение экрана 1024*768 и "всплывающую" иконку в правом нижнем углу картинки не замечаете? ;)

На розетки автоматы 16А. На освещение 10А. На СМ и бойлер тоже 10А. Если бойлер подключен стационарно - двухполюсной (или 1+N) автомат.

Какой ввод - длина, марка проводов/кабеля, сечение жил, способ прокладки?

0

Следование моим советам вредит кошельку

Гость
Гость
Аккаунт удален

Регистрация: 01.01.1970

Сообщений: 188626

16.03.2006 в 09:11:02

rodrigo написал : Люди, почти сделал ремонт в "двушке". Покритикуйте, пожалуйста, схему моей разводки. Ситуация такова: в общем коридоре на 4 квартиры есть щиток. На каждую квартиру приходилось:

  • дифавтомат ИЭК 40 А, 30 мА
  • автомат 25 А (на плиту)
  • автомат 10 А (свет)
  • автомат 16 А (розетки). Я это все переделал. Теперь:
  • убрал из коридорного щитка все свои автоматы
  • от своего дифавтомата и заземления протянул в квартиру по 2 линии на фазу, ноль и землю (2 трехжильных провода 4мм2)
  • в квартире оба провода вывел в квартирный щиток на общее УЗО 40 А, 30 мА
  • от УЗО развел на 7 автоматов Схему прилагаю. Заранее огромное спасибо!!!!

По схеме вопросы : общий до плиты розеток и прочего какого сечения провод? что за 25А автоматы защищают свет при описаном сечении 1.5кв.мм?

0
NikNiklson
NikNiklson
Новичок

Регистрация: 29.10.2005

Москва

Сообщений: 85

16.03.2006 в 09:19:45

очень странно выбраны номиналы автоматов:

  • на 1,5 кВт бойлера установлен 32А!!!!
  • на плиту еще относительно нормально, хотя 11 кВт - это 50А.
  • вводной уж точно не может быть меньше 63А. т.е. на маленькие нагрузки стоят большие автоматы, а на большие - наоборот. остльное не смотрел, .. кстати, почему 2 проводника, а не 3??? С уважением, Андрей.
0
NikNiklson
NikNiklson
Новичок

Регистрация: 29.10.2005

Москва

Сообщений: 85

16.03.2006 в 09:25:45

виноват, про 3 провода - погорячился, случайно запомнилось 2 на освещении... Плохо то, что всего одно вводное УЗО и опять же номинал маловат. Если будет утечка, то выбьет всю квартиру и Вы останетесь даже без света (ночью???)!!!! С уважением, Андрей.

0
ВТБ!
ВТБ!
Дилетант

Регистрация: 29.10.2005

Москва

Сообщений: 27556

16.03.2006 в 09:26:16

NikNiklson написал : кстати, почему 2 проводника, а не 3???

И точно - откуда родилась земля? И почему на линии освещения и часть розеток 2 провода, а не 3? Отсутствие заземляющего контакта в розетке или на корпусе светильника это ещё не основание удалять проводник PE.

на плиту еще относительно нормально, хотя 11 кВт - это 50А

Длительная максимальная нагрузка для электроплиты маловероятна, с учётом мощности ввода выбор оправдан.

вводной уж точно не может быть меньше 63А

Мощность ввода это данность, произвольно её менять нельзя - проект, согласования...

0

Следование моим советам вредит кошельку

Авторизуйтесь или зарегистрируйтесь, чтобы оставить комментарий.

Присоединяйтесь к самому крупному DIY сообществу