mishel_pl
mishel_pl
Новичок

Регистрация: 12.05.2009

Пенза

Сообщений: 99

15.05.2009 в 07:06:26

понятно когда с одной ноги трансформатора через диод - дроссель на электрод и обратно на другую ногу, но почему с этой же ноги на электрод и на диоды и через дроссель на электрод (с двух сторон) .... что-то тут хитро :)

0
Юрий_Ф
Юрий_Ф
Резидент

Регистрация: 21.04.2008

Петропавловск-Камчатский

Сообщений: 1067

15.05.2009 в 09:02:07

mishel_pl написал : что-то тут хитро

Вот именно - нужно нарисовать!! Удачи

0
Юрий_Ф
Юрий_Ф
Резидент

Регистрация: 21.04.2008

Петропавловск-Камчатский

Сообщений: 1067

15.05.2009 в 10:02:12

mishel_pl написал : что-то тут хитро

Вот тут попытался набросать проверь (схемки). Еще там около модуля зеленого есть 2 мелкосхемки под радиатор, какие (Viper20, 7815??)? Проверь напряжения на драйверах, ведь не просто так электролиты сдулись. Удачи.

0
Вложение
johnlc
johnlc
Резидент

Регистрация: 22.12.2005

Сыктывкар

Сообщений: 4207

15.05.2009 в 17:46:49

mishel_pl написал : Диоды на выжженую сборку - один 0,006 Ома, второй не звонится
на целую оба 0,026 .. полярность соблюдается ..

на тестере для диодов должон быть отдельный режим , при прозвонке прямое падение от 0.3 до 0.6 вольт - норма.

0
mishel_pl
mishel_pl
Новичок

Регистрация: 12.05.2009

Пенза

Сообщений: 99

15.05.2009 в 18:39:41

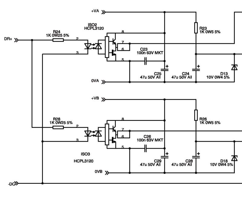
Схема вроде такая получилась ...

сегодня хозяин ивертора дошел в магазин до продавца те взялись посмотреть и если возможно отремонтировать ...

так что отдал, надеюсь в добрые руки :) ...

вопрос .. есть Bluюweld 210 проволочник ... очень хорошо насерает проволоку ... можно ли ему простенько выходную часть переделать что бы подключить к нормальному сварочнику ? тоесть ипользовать BW исключительно для включения напряжения и подачи проволоки а токи задавать от стороннего инвертора ? Вообще есть ли схемки для полуавтоматов ?

0
Вложение
mishel_pl
mishel_pl
Новичок

Регистрация: 12.05.2009

Пенза

Сообщений: 99

15.05.2009 в 18:43:49

падение напряжения на переходе мне понятно но как его в омах померить ;-) мерял в режиме для диодов .. но что то китайцы там нахимичили ... хотя обычные диоды звонятся нормально ... не знаю .. щас уже не могу перемерить ... если вернут только ...

0
johnlc
johnlc
Резидент

Регистрация: 22.12.2005

Сыктывкар

Сообщений: 4207

15.05.2009 в 20:31:40

mishel_pl написал : мерял в режиме для диодов ..

м890 ,например, показывает в режиме прозвонки диодов падение в мВ...

mishel_pl написал : если вернут только ...

не нулевой вариант кстати...

0
mishel_pl
mishel_pl
Новичок

Регистрация: 12.05.2009

Пенза

Сообщений: 99

15.05.2009 в 21:29:12

хи ... м890г и мерил ... инструкции не читал .. просто без нее досталось

значит мв ... и что следовательно все 4 диода в мусор ? ... будем считать на пн не должно быть так мало ...

а по поводу как сделать из хилого автомата нормальный путем скрещивания с внешним сварочником .. инфы нет ?

хотя есть еще старый советский сварочник ... трансформаторный ... он еле тройкой варил после того как сожгли и перемотали ... может с ним BW лучше скрестить ? что посоветуете ?

Сорри забыл ... чтото я сегодня все забываю - полуавтомат Blue Weld Combi 162 с 2мя идиотскими переключателями ... мин макс ... на нашей просаженной сети не варит кроме как на макс ... и то с проблемами ... в общем выкинутые деньги ... ни один из 3х знакомых сварщиков с ним норамально не работал ... вот есть желание переделать его ...

0
johnlc
johnlc
Резидент

Регистрация: 22.12.2005

Сыктывкар

Сообщений: 4207

16.05.2009 в 00:16:28

mishel_pl написал : а по поводу как сделать из хилого автомата нормальный путем скрещивания с внешним сварочником .. инфы нет ?

"уж"(поулавтомат) с "ежом"(мма сварочник) не скрещивается , если только с изначально спроектированым для подобного (ВДУ506 етс)

mishel_pl написал : значит мв ... и что следовательно все 4 диода в мусор ? ...

если прозванивали выпаяв из платы - канэшна :)

0
Юрий_Ф
Юрий_Ф
Резидент

Регистрация: 21.04.2008

Петропавловск-Камчатский

Сообщений: 1067

16.05.2009 в 01:12:05

mishel_pl написал : Схема вроде такая получилась ...

Схему выхода не успел сравнить? Что в твоей схеме Wr55? а далее транс? Удачи

0
mishel_pl
mishel_pl
Новичок

Регистрация: 12.05.2009

Пенза

Сообщений: 99

16.05.2009 в 09:58:18

а почему еж с ужом .. принципиальная разница в том что ММА имеет постоянный заряд а мигмак подключает электроды только при сварке ... При этом идет сигнал подачи газа и сигнал подачи проволоки ...

если выходной каскад инвертора подключать к электроду мигмак например ....www.kippribor.ru

BDH25044ZD3 Промышленное твердотельное реле 250A/440V, управление =3…32V 1947,00

Твердотельные реле предназначены для коммутации нагрузки цепей постоянного и переменного тока в системах автоматического управления и регулирования. .....

или аналогичной схемой ... то вполне можно попробывать ... это лучше чем новый мигмак покупать ...

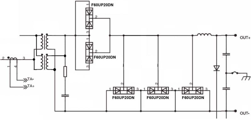
WA55 правда в разрыве .. смотрите фото ...

0
Вложение

Авторизуйтесь или зарегистрируйтесь, чтобы оставить комментарий.

Присоединяйтесь к самому крупному DIY сообществу