C2h5-OH
C2h5-OH
Резидент

Регистрация: 11.03.2006

Черноголовка

Сообщений: 9676

07.11.2009 в 19:34:13

вот фото.

0
Вложение
avmal
avmal
Резидент

Регистрация: 25.05.2006

Москва

Сообщений: 33773

07.11.2009 в 21:44:53

C2h5-OH написал : мы прикупили и прицепили дополнительный контакт для этого рубильника- четырехполюсный долго было ждать.

Я тоже иногда прицепляю дополнительные контакты на свои "рубильники".:)

0
Вложение
igor1
igor1
Резидент

Регистрация: 30.07.2007

Сообщений: 1448

08.11.2009 в 03:58:51

Вообще-то, АВР – просится, но как это согласуется с:

123kurta написал : Тем более, что по второму вводу хочу сделать зональное потребление энергии (когда ночью идет всего о,4 тарифа),

А что Вы будете делать, когда подключен первый ввод? А днем? В моих краях, если 3-х тарифный счетчик, то днем цена в 4-6 раз выше, чем ночью.

0
123kurta
123kurta
Новичок

Регистрация: 03.11.2009

Днепропетровск

Сообщений: 15

11.11.2009 в 23:51:45

Во! Чувсвуется профессионализм у ВТБ! Цитирую: "При таких замыслах одним рубильником не обойтись. У Вас два ввода. Вводное устройство одно или тоже два? Какая система заземления? Судя по жгучему желанию коммутировать ноль, это ТТ? Сечения вводных кабелей, разрешённые мощности? Наличие трёхфазных потребителей, чувствительных к фазировке?" Отвечаю:

  1. Две разные линии от двух разных ТП.
  2. На первом вводе - 3 фазы+нуль+заземление на столбе+ заземление на щитке+заземление возле дома.
  3. На втором вводе - 3 фазы +нуль+заземление на столбе+заземление на щитке.
  4. Первая линия АВВГ 4х16, пакетники на 63 А.
  5. Вторая линия АВВГ 4х16, пакетники на 20 А.
  6. На первой линии мощность ограничена только пакетником, на второй линии - разрешенная мощность 9 кВт, но пакетник на 20 А позволяет брать и 12 кВт.
  7. Из трехфазных потребителей - котел отопления на 9 кВт (точнее 2х9 кВт).

Господа ЭЛЕКТРИКИ! Ну=ка дайте совет инженеру-механику, что-то вы так слабо-слабо в этом разбираетесь? А схему разве не можете дать? Господин ВТБ! ОЧЕНЬ_ОЧЕНЬ ЖДУ ВАШЕГО ОТВЕТА!!!!!!!!

0
123kurta
123kurta
Новичок

Регистрация: 03.11.2009

Днепропетровск

Сообщений: 15

11.11.2009 в 23:54:06

Вопрос к C2h5-OH!!!!Изучили Вашу фотографию - мы заказали ТАКОЙ же реверсивный рубильник. Ждем поставку. ВОПРОС: Четвертый контакт рвет "Нуль"? или что-то другое? Синий провод слева на фото -это что? И еще - у Вас не видно перемычек на ВЫХОДЕ. Их не видно, или их нет? Как все таки сделать резервное электропитание?

0
123kurta
123kurta
Новичок

Регистрация: 03.11.2009

Днепропетровск

Сообщений: 15

12.11.2009 в 00:10:32

Итак, дополнительные исходные данные: Перовая линия - вход 3 фазы+нуль на счетчик, выход со счетчика 3 фазы+нуль, заземление - к щитку. на выходе - три фазы +нуль. Вторая линия - вход 3 фазы+нуль на счетчик, выход со счетчика 3 фазы+нуль, заземление - к щитку. на выходе - три фазы +нуль. С выхода первого счетчика три фазы завожу на реверсивный рубильник АВВ ОТ40F3С, нуль завожу на щиток. С выхода второго счетчика три фазы завожу на тот же реверсивный рубильник, нуль завожу на щиток (тот же щиток).

Коммутирую выходы трех фаз реверсивного рубильника, имею на выходе три фазы +нуль со щитка . ВЕРНО ИЛИ НЕТ?

0
ПPOPAБ
ПPOPAБ
Резидент

Регистрация: 24.10.2009

Ноябрьск

Сообщений: 13128

12.11.2009 в 00:36:58

Во как бывает!

123kurta написал :

  1. Первая линия АВВГ 4х16, пакетники на 63 А.
  2. Вторая линия АВВГ 4х16, пакетники на 20 А.

При подключении по второй линии необходимо ограничивать потребляемую мощность.

123kurta написал : а то каменка сауны берет 8 кВт+ котел отопления трехфазный 18 кВт+ электроподогрев пола в коридоре 3 кВт. Так что надо делать.

Делить потребителей на категории и наверняка, придется существенно изменить схему... Схему в студию!:clapping

0
C2h5-OH
C2h5-OH
Резидент

Регистрация: 11.03.2006

Черноголовка

Сообщений: 9676

12.11.2009 в 07:59:51

2123kurta

123kurta написал : Вопрос к C2h5-OH!!!!Изучили Вашу фотографию - мы заказали ТАКОЙ же реверсивный рубильник. Ждем поставку. ВОПРОС: Четвертый контакт рвет "Нуль"? или что-то другое? Синий провод слева на фото -это что? И еще - у Вас не видно перемычек на ВЫХОДЕ. Их не видно, или их нет? Как все таки сделать резервное электропитание?

ДА это "0" от счетчика 3 фазный ввод справа-3 пустых клеммы -придет питание с генератора. а какие перемычки нужны? от рубильника- провода к узо( с нижних клемм рубильника)-там и соединяются провода с нижних клем рубильника-а потом от узо на автомат трехфазный.

0
ВТБ!
ВТБ!
Дилетант

Регистрация: 29.10.2005

Москва

Сообщений: 26068

12.11.2009 в 09:52:07

123kurta написал :

  1. Две разные линии от двух разных ТП.
  2. На первом вводе - 3 фазы+нуль+заземление на столбе+ заземление на щитке+заземление возле дома.
  3. На втором вводе - 3 фазы +нуль+заземление на столбе+заземление на щитке.

Где находятся счётчики и сколько всего щитков? В двух разных щитках на опорах? В одном общем щите в доме?

  1. Первая линия АВВГ 4х16, пакетники на 63 А.

Кабель на тросе или в земле? Формально для воздуха сечение недостаточное, но котёл на полную мощность будет "кочегарить" только зимой, поэтому несоответствием можно пренебречь.

нуль завожу на щиток

Нет. PEN от обоих вводов заводите на шину PE. Сечение шины должно соответствовать сечению ввода, предпочтительно заведомо избыточное сечение. А уже к этой шине перемычка на шину N, проводник от заземлителя/ГЗШ и защитные нули (в том числе и с корпуса).

123kurta написал : Коммутирую выходы трех фаз реверсивного рубильника

Не пойдёт, потому что надо

ПPOPAБ написал : Делить потребителей на категории

Навскидку, четыре категории: 1) освещение и маломощные потребители (компьютеры-телевизоры); 2) силовые розетки (чайники-кондиционеры-стиральные машины); 3) котёл - но тут без схемы подключения никуда, сканируйте/фотографируйте; 4) тёплые полы и сауна.

Уточните, который ввод двухтарифный? Днём тарифы совпадают?

0

Следование моим советам вредит кошельку

123kurta
123kurta
Новичок

Регистрация: 03.11.2009

Днепропетровск

Сообщений: 15

12.11.2009 в 10:25:22

Отвечаю ВТБ!:

  1. Речь идет о частном доме, в двух РАЗНЫХ концах участка которого стоят разные столбы. На каждом столбе - ввод (3+1), щиток со щетчиком. Вводы - от РАЗНЫХ КТП. Цель - сделать резервное питание. . Почему-то такая задача, создается впечатление, только под силу НАУЧНО_ИССЛЕДОВАТЕЛЬСКОМУ институту. Да, в доме есть потребители на 9 кВт и больше. Но это - неважно, т.к. речь идет о РЕЗЕРВНОМ питании. Ясно, что при его задействовании будут включены потребители по минимуму. Например, если идет забор энергии с линии 2, где установлены пакетники на 20 А, то будет включаться только обогрев дома (трехфазный котел на 9 кВт + освещение). Итак счетчики: Вопрос: "В двух разных щитках на опорах?" ДА, в двух разных щитках на разных опорах.
  2. Вопрос: "Кабель на тросе или в земле?" По улице идут столбы с проводами 4х16, алюминий, они же заходят на счетчик, выходит кабель и он уложен в полиэтиленовую трубу и идет в земле до дома.
    Цитата: "Формально для воздуха сечение недостаточное". Во первых, как может быть недостаточное, когда вся разводка по всему городу такая. А во-вторых, рассуждайте зрело: я же не заменю провода, идущие по столбам от КТП ЧЕРЕЗ ВСЮ УЛИЦУ к моему столбу. Давайте будем проще.
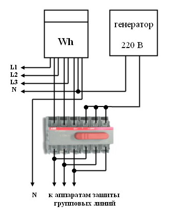
  3. Ничего особенного в отопительном котле нет - стоят два тэна по 9 квт, которые включаются раздельно. Двухтарифный счетчик на линии 2 - ночью 0,4 тарифа. Я тут вставил схему РЕЗЕРВНОГО электроснабжения с помощью реверсивного рубильника АВВ. Альтернативный источник питания - дизель-генератор. НАПРАШИВАЕТСЯ вопрос: что нужно изменить в этой схеме, чтобы вместо дизель-генератора был трехфазный независимый источник питания. Я - инженер-механик, мне кажется, что это можно и нужно сделать. Почему-то для инженеров-электриков тут возникла проблема, или я не прав? Итак, смотрим на прилагаемую схему. Для WH, который слева (линия 1) имеем : L1, L2,L3, N. Выходы счетчика пошли на реверсивный рубильник, с него - на потребителя. Теперь: вместо "Генератор 220 В" нужно ввести в схему WH, который будет справа (линия 2) и наслаждаться теплом в доме независимо от того, есть ли энергия в одной из линий или нет. У WH, который будет справа, то же есть L1, L2,L3, N. Вот и простая задача для электрика, как их коммутировать?
0
Вложение
ВТБ!
ВТБ!
Дилетант

Регистрация: 29.10.2005

Москва

Сообщений: 26068

12.11.2009 в 10:56:38

123kurta написал : трехфазный котел на 9 кВт + освещение

Зимой понятно, а летом? Кондиционеры и кухонные розетки резервировать будете?

стоят два тэна по 9 квт, которые включаются раздельно

А не 6 по 3кВт? Автоматики никакой нет? Питание двух групп нагревателей можно подключить раздельно к разным вводам?

Почему-то такая задача, создается впечатление, только под силу НАУЧНО_ИССЛЕДОВАТЕЛЬСКОМУ институту.

Вы преувеличиваете, достаточно одного телепата. Но он, к сожалению, в отпуске.

0

Следование моим советам вредит кошельку

Авторизуйтесь или зарегистрируйтесь, чтобы оставить комментарий.

Присоединяйтесь к самому крупному DIY сообществу