ALARMus
ALARMus
Местный

Регистрация: 21.08.2007

Москва

Сообщений: 741

12.07.2012 в 15:37:11

все что Вы перечислили, но по мере решения предыдущего происходит переход к следующему.

Электрические параметры указаны мотор - 60 Вт\220В Габариты - не знаю габариты чего, если коммутационных устройств - то чисто из практичности (мотор открывает люк, люк отделяющий второй этаж от первого на лестнице, в "домике в деревне") Цена - ну тут и так ясно - для деревни чем дешевле тем лучше

Ну вообщем-то, все ответы - исходя из удобства и практичности.

0
BOE
BOE
Местный

Регистрация: 04.03.2009

Москва

Сообщений: 437

12.07.2012 в 17:33:59

Стало понятнее, но теперь интересно узнать зачем нужна блокировка кнопок на этаже на котором не нажимают кнопки. Кмк достаточно поставить блок управления например рольставнями.

0
ALARMus
ALARMus
Местный

Регистрация: 21.08.2007

Москва

Сообщений: 741

12.07.2012 в 17:42:17

BOE написал : ачем нужна блокировка кнопок на этаже на котором не нажимают кнопки

чтобы какой-нибудь идиот не вздумал нажать, а верней даже если вздумает, то от этого будет защита.

0
BOE
BOE
Местный

Регистрация: 04.03.2009

Москва

Сообщений: 437

12.07.2012 в 18:11:36

ALARMus написал : чтобы какой-нибудь идиот не вздумал нажать, а верней даже если вздумает, то от этого будет защита.

Простите, не понял проблемы. Вы же хотите блокировать только на время работы двигателя как я понял, т.е движение люка хорошо видно. Если идиот даже нажмет на кнопку то люк либо продолжит открываться либо начнет закрываться. Кстати как будет реализована группа защиты: - что будет отключать двигатель, когда он переведет люк в крайние положения.

  • если вовремя движения ктото полезет в закрывающийся проем
  • что произойдет с мотором если будет команда поднять люк, а на люке будет тяжелый предмет
0
Аникей
Аникей
Резидент

Регистрация: 05.08.2010

Новокузнецк

Сообщений: 1428

13.07.2012 в 06:24:21

BOE написал : Кстати как будет реализована группа защиты:

Видимо, это все будет реализовано в системе голова оператра - рука, воздействующая на кнопку. :)

BOE написал : Если идиот даже нажмет на кнопку то люк либо продолжит открываться либо начнет закрываться.

Моторчику разоваться (на умного и красивого) при этом что ли?

0
andrewkhv
andrewkhv
Резидент

Регистрация: 02.05.2011

Хабаровск

Сообщений: 10751

13.07.2012 в 07:16:49

Вдумчиво тему не читал. Может, такой вариант? Вроде еще не встречался.

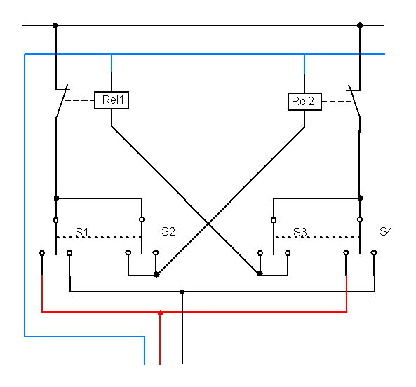
Используем спаренные переключатели со средним положением (такие подойдут? http://electro-mpo.ru/card14298.html#.T_-UkVSivzk) и два контактора с НЗ контактами.

0
Вложение
andrewkhv
andrewkhv
Резидент

Регистрация: 02.05.2011

Хабаровск

Сообщений: 10751

13.07.2012 в 07:40:29

Блин, уже было, только вместо контакторов - выключатели, так что ничего нового... :(

0
Аникей
Аникей
Резидент

Регистрация: 05.08.2010

Новокузнецк

Сообщений: 1428

13.07.2012 в 08:11:35

andrewkhv написал : только вместо контакторов - выключатели

А смысл тут контакторов? Я б еще понял, если б вы организовали самоподхват - нажал кратковрменно кнопку - едет, нажал кратковременно стоп, или в другую сторону - остановился, или поехал обратно.

0
andrewkhv
andrewkhv
Резидент

Регистрация: 02.05.2011

Хабаровск

Сообщений: 10751

13.07.2012 в 08:20:03

Блин, ну пришла такая мысль, что я, виноват? :)

0
ALARMus
ALARMus
Местный

Регистрация: 21.08.2007

Москва

Сообщений: 741

13.07.2012 в 08:36:44

BOE написал : Кстати как будет реализована группа защиты:

  • что будет отключать двигатель, когда он переведет люк в крайние положения.

Вопрос про это не задается, потому что уже реализована эта часть.

BOE написал :

  • если вовремя движения ктото полезет в закрывающийся проем

Будет фильм ужасов :). Если серьезно - то сила моторчика слишком мала чтобы навредить человеку своей тягой. (на люке даже будут противовесы, для уравнивания силенок мотора и веса люка)

BOE написал :

  • что произойдет с мотором если будет команда поднять люк, а на люке будет тяжелый предмет

Ну думаю не справиться - что будет скорее всего сразу видно оператору нажимающему кнопку.

0
BOE
BOE
Местный

Регистрация: 04.03.2009

Москва

Сообщений: 437

13.07.2012 в 12:17:52

Аникей написал : Видимо, это все будет реализовано в системе голова оператра - рука, воздействующая на кнопку. :)

Моторчику разоваться (на умного и красивого) при этом что ли?

Попробуйте не фантазировать а более четко ставить задачу и техническое решение найдется очень быстро. Непонятно почему моторчик должен разорваться если будет уствновлено управление как для рольставней, ворот и т.д Там хоть 2 хоть 3 будут вкл-выкл моторчик и он спокойно все отработает. но последовательно как я описал выше. Если вы посмотрите на услови задачи топикстартера , то ему нужен готовый вариант, а вот тех условия приходится уточнять, так как они заданы не полностью.

0

Авторизуйтесь или зарегистрируйтесь, чтобы оставить комментарий.

Присоединяйтесь к самому крупному DIY сообществу