Гость
Гость
Аккаунт удален

Регистрация: 01.01.1970

Сообщений: 188626

05.09.2006 в 17:01:03

Исправлено

0
Вложение
ВТБ!
ВТБ!
Дилетант

Регистрация: 29.10.2005

Москва

Сообщений: 26068

05.09.2006 в 17:06:18

KonstantinVS

Вообще говоря, плита вполне может обойтись без защиты УЗО 30мА - хватит и входного УЗО 100мА. (Но тогда автомат на плиту двухполюсный или 1+N).

На тёплый пол не поменяли на 10А (хотя там и 4-6 хватило бы, если найдёте недорого).

Не исключено, что УЗО 10мА окажется слишком чувствительным для СМ - иногда бывает. Я бы предпочёл оставить 10мА, а в случае неудачи перекинуть линию СМ на общее УЗО для розеток.

Поскольку розетка холодильника остаётся без защиты УЗО 30мА, в неё нельзя втыкать тройники, удлиннители и незаземлённые приборы. Только холодильник и ничего кроме холодильника. ;)

0

Следование моим советам вредит кошельку

Гость
Гость
Аккаунт удален

Регистрация: 01.01.1970

Сообщений: 188626

05.09.2006 в 17:51:09

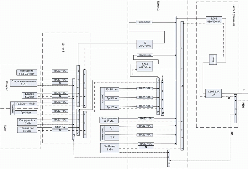
схема комплектовки щитов

0
Вложение
ВТБ!
ВТБ!
Дилетант

Регистрация: 29.10.2005

Москва

Сообщений: 26068

05.09.2006 в 18:07:40

KonstantinVS

Две линии между щитками? Я бы воздержался от подобных решений. Да ещё на кухню линия плиты, холодильника, освещение. Не проще соединить щитки кабелем равным вводному? А разводить все группы кухни/санузла уже оттуда? (Возможно, освещение Вам удобнее из центра.)

Если автоматы 6А окажутся доступны, то на освещение санузла такой вполне пойдёт. Двухполюсный на СМ необязательно (хотя удобно - спору нет).

0

Следование моим советам вредит кошельку

Гость
Гость
Аккаунт удален

Регистрация: 01.01.1970

Сообщений: 188626

05.09.2006 в 18:18:51

ВТБ! написал : KonstantinVS

Две линии между щитками? Я бы воздержался от подобных решений. Да ещё на кухню линия плиты, холодильника, освещение. Не проще соединить щитки кабелем равным вводному? А разводить все группы кухни/санузла уже оттуда? (Возможно, освещение Вам удобнее из центра.)

Полностью согласен, только там проблема группировки, по УЗО, и одним кабелем никак не выходит :(

0
ВТБ!
ВТБ!
Дилетант

Регистрация: 29.10.2005

Москва

Сообщений: 26068

05.09.2006 в 18:34:21

KonstantinVS написал : проблема группировки

Это не проблема. Проблема - когда в щитке места не хватает. Большая проблема - когда линий не хватает.

Категорический совет: просто соединяйте два щитка одним кабелем 3*10 под защитой рубильника. Одно УЗО 40А/30мА в одном щитке, другое такое же во втором. Ввод, кабель между щитками, плита, холодильник и освещение - под защитой входного УЗО. Щитки возможно большего размера, запас проводов в щитках. Появится бюджет и желание - заполните хоть оба щитка до отказа, по диф.автомату на каждую линию. Наполнение щитка меняется легко и просто, щитки - с большим трудом; линии - новый кап.ремонт.

0

Следование моим советам вредит кошельку

Гость
Гость
Аккаунт удален

Регистрация: 01.01.1970

Сообщений: 188626

06.09.2006 в 11:08:28

ВТБ! написал : Одно УЗО 40А/30мА в одном щитке, другое такое же во втором.

таким образом добавляется ещё два элемента автомат и узо?

0
Вложение
Гость
Гость
Аккаунт удален

Регистрация: 01.01.1970

Сообщений: 188626

06.09.2006 в 12:27:44

в результате получаем:

0
Вложение
ВТБ!
ВТБ!
Дилетант

Регистрация: 29.10.2005

Москва

Сообщений: 26068

06.09.2006 в 12:39:00

KonstantinVS

Не совсем понял, почему плита и холодильник запитаны не с "кухонного" щитка?

0

Следование моим советам вредит кошельку

Гость
Гость
Аккаунт удален

Регистрация: 01.01.1970

Сообщений: 188626

06.09.2006 в 12:59:10

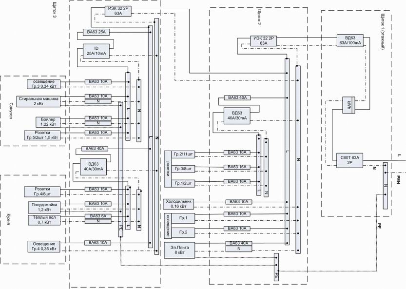
спасибо :)

0
Вложение
biocat
biocat
Местный

Регистрация: 07.07.2006

Волгоград

Сообщений: 102

06.09.2006 в 13:37:06

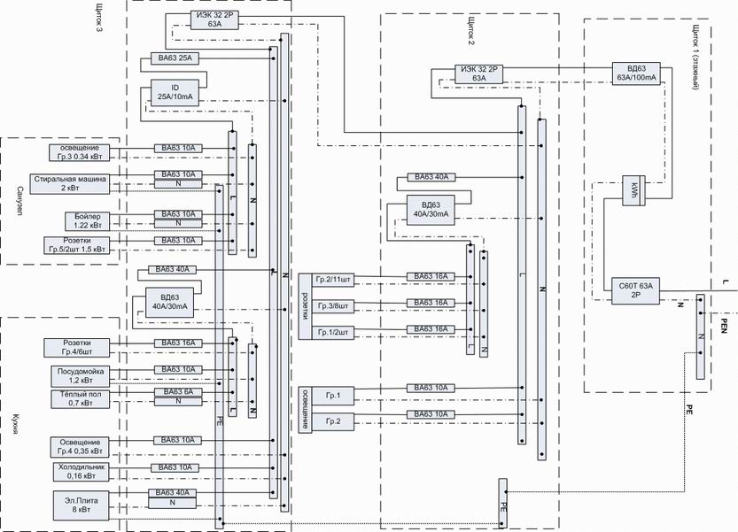
KonstantinVS написал : в результате получаем:

А что за щитки собираетесь использовать? По сколько позиций (посадочных мест) получается? Однорядные?

И еще. А группы розеток принципиально с защитным заземление не делаете?

0

Авторизуйтесь или зарегистрируйтесь, чтобы оставить комментарий.

Присоединяйтесь к самому крупному DIY сообществу