а существуют ли насосы на радиаторы. чтоб локально заставить цыркулировать воду?
19.10.2016 в 22:28:42
а существуют ли насосы на радиаторы. чтоб локально заставить цыркулировать воду?
20.10.2016 в 07:25:22
Одно из заблуждений заказчиков, что раз сантехник из УК, то это какая-то гарантия чего-либо. Хотя мне сложно представить профессионала которому пришла в голову мысль наняться в УК. На деле так и происходит. Какая-то гарантия непонятно чего и по факту тяп-ляп криво-косо.
Пишите заявление в УК, по почте заказным, копию в Жилинспекцию, пусть чешутся. Их проблема что нет контроля ни за своими сотрудниками ни за тем что они крутиль-вертель.
ЗЫ когда узнал что в строящемся доме на который у меня ДДУ будет двухтрубка очень сильно расстроился, представив уже картину как местные сантехники с дельным видом рекомендуют горе-обывателям краны бугатти. Поэтому за полтора года до сдачи дома начал морально готовить на новостройкине и в vk.com будущих соседей к тому что куда именно надо обращаться за заменой батарей, а если уж если и не туда то хотя бы правильно выполнять...Большинство услышали, плюс ГИ УК настигло прозрение, потому как в соседнем доме у него десяток квартир где почему -то не греют батареи...поэтому он, дабы избежать такого же головняка, сам лично давал мои контакты абсолютно безкорыстно...два года был полет нормальный...но вот жильцы свергнули УК, а в новой сидят тётки в диспетсерской...в глазах одна мысль-не мешайте мне работать...и вот уже нашел хату где только краны...но пока батареи греют ровно...но хоть знаю куда идти капать на мозг, определил по переделанным окнам...(фото было в портфолио одной конторы занимающейся ремонтом)
20.10.2016 в 11:44:46
Inch1964 написал: У него вертикальная двухтрубка с верхней подачей, со схемой стояка по попутке Тихельмана. В такой разводке часто применяют переменный диаметр стояков. Так что если квартира ближе к нижней части дома, то диаметр стояка обратки больше, чем у стояка подачи - нормально.
Если можно, несколько вопросов ?
20.10.2016 в 12:35:11
SunFire написал: Как Вы по фото определили, что подача сверху ? Именно по тому, что обратка толще ?
Если писал про схему, которая у Олеговича, то у него подача сверху. Видно по фото нижнего этажа. И видно что применен переменный диаметр. На верхних этажах толще стояк подачи, а нижних толще стояк обратки.
SunFire написал: Я правильно понял, если речь идёт о вертикальной двухтрубке, то если подача сверху, то это чаще всего попутка, а если подача снизу, то скорее всего тупиковая система ?
Правильно поняли.
SunFire написал: С точки зрения вандализма, какая из этих двух вертикальных двухтрубок УСТОЙЧИВЕЕ ?
Зависит от количества этажей. У Олеговича 17 этажей, а это многовато для попутки. В этом случае попутка неустойчивее. Вообще, неубитая система любая проектируется устойчивая. На термоклапанах проектируется минимальный перепад около 10 кПа. Т.е. например, в дипазоне 10-20 кПа на разных этажах. Но стоит одному этажу поменять балансировочную арматуру на шаровый кран, и минимальный перепад падает почти до нуля. И начинаются чудеса. В попутке с верхней подачей средние этажи останавливаются или даже опрокидывается циркуляция. А у тупиковой с нижней подачей - перестают работать нормально верхние этажи.
SunFire написал: Так как у человека 4/9 этаж, подача сверху, до движение теплоносителя по стояку подачи должно быть хорошим
Речь про двухтрубную систему? Если так, то он как раз на критичных этажах, которые в попутке страдают больше других.
SunFire написал: имеет ли смысл ему перевариваться на однотрубку ?
Может да, а может нет. Нет конкретики. Нет результатов измерений температуры на радиаторе и подводах. А гадать - это к гадалкам.
SunFire написал: Тут даже расширение стояка в области верхнего коллектора не понадобится
Уширение, т.е. "насос" Бернулли позволяет уменьшить количество секций, или скомпенсировать гидросопротивление термоклапана. Но ставить насос Бернулли на двухтрубный стояк, смысла мало, ибо скорость теплоносителя намного ниже, чем в однотрубном стояке. А с низкой скоростью теплоносителя в стояке насос Бернулли работает слабо.
Гидравлический расчёт систем отопления. Теплорасчёт (расчёт утепления) домов и квартир.Контакты в профиле.
20.10.2016 в 14:48:28
Inch1964, Вы немного запутались :)
Ранее Вы ответили на мой комментарий по вопросу товарища со 107 страницы (четвёртый снизу) с фотографиями про убитую двухтрубку.
Олегович тут непричём :)
20.10.2016 в 21:19:22

Доброго дня! Как обещал замерил температуры...надеюсь будет понятно.
20.10.2016 в 21:36:36
msa65, непонятно. Можете вот так выложить с привязкой к схеме?

Гидравлический расчёт систем отопления. Теплорасчёт (расчёт утепления) домов и квартир.Контакты в профиле.
20.10.2016 в 22:06:16
Inch1964 написал: И видно что применен переменный диаметр. На верхних этажах толще стояк подачи, а нижних толще стояк обратки.
с какой целью применяется такая схема, если не сложно?
20.10.2016 в 22:10:02

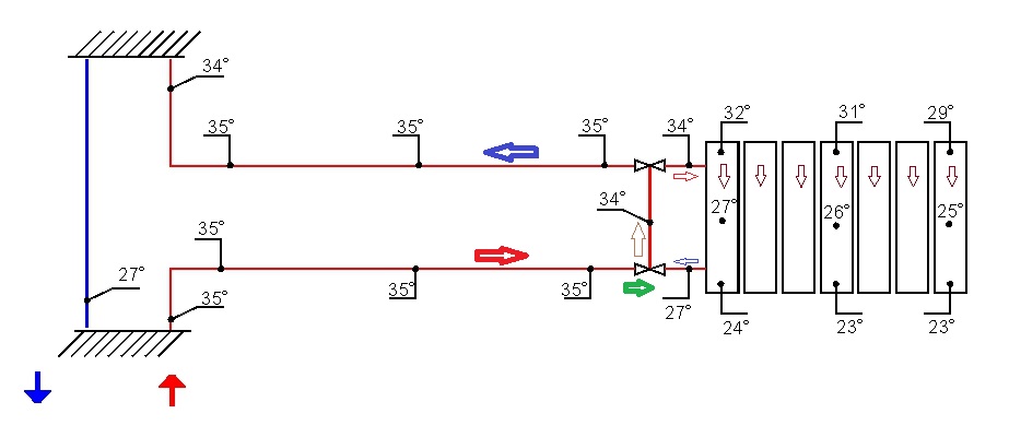
так наверное понятней
20.10.2016 в 22:19:39
Теплая только верхушка радиатора. 80% холодная.
20.10.2016 в 22:24:24
Олегович написал:
Inch1964 написал: И видно что применен переменный диаметр. На верхних этажах толще стояк подачи, а нижних толще стояк обратки.
с какой целью применяется такая схема, если не сложно?
Олегович, Я не могу ответить на ваш вопрос. Я по образованию гидротехник. О движении воды имею представление, но не сантехник, а делали сантехники. я лишь обозначил какие будут радиаторы.
Авторизуйтесь или зарегистрируйтесь, чтобы оставить комментарий.
Присоединяйтесь к самому крупному DIY сообществу