megrad, кондей, теплый пол,посудомой и т.д. не планируется Реле напряжения не будет. Электрика на балконе...только налобный фонарь. SH потому что дешевле, но и не самая бюджетная. S вроде уже промышленная серия. У меня квартира. SE Resi9 или ABB SH ? Ваш выбор?
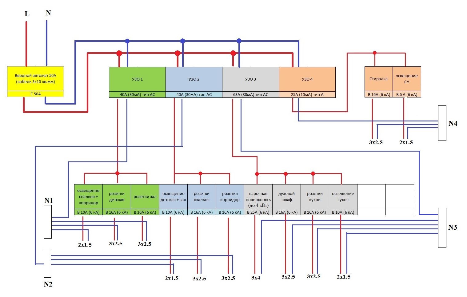
Переработал схему.Хочется получить итоговый рабочий вариант.
Так лучше?